SAA1064串行I2C总线LED显示驱动集成电路静态驱动接口电路

📅 发布时间:2013-10-01 00:35 👁️ 浏览:0 🏷️ 标签: 1064 SAA I2C LED

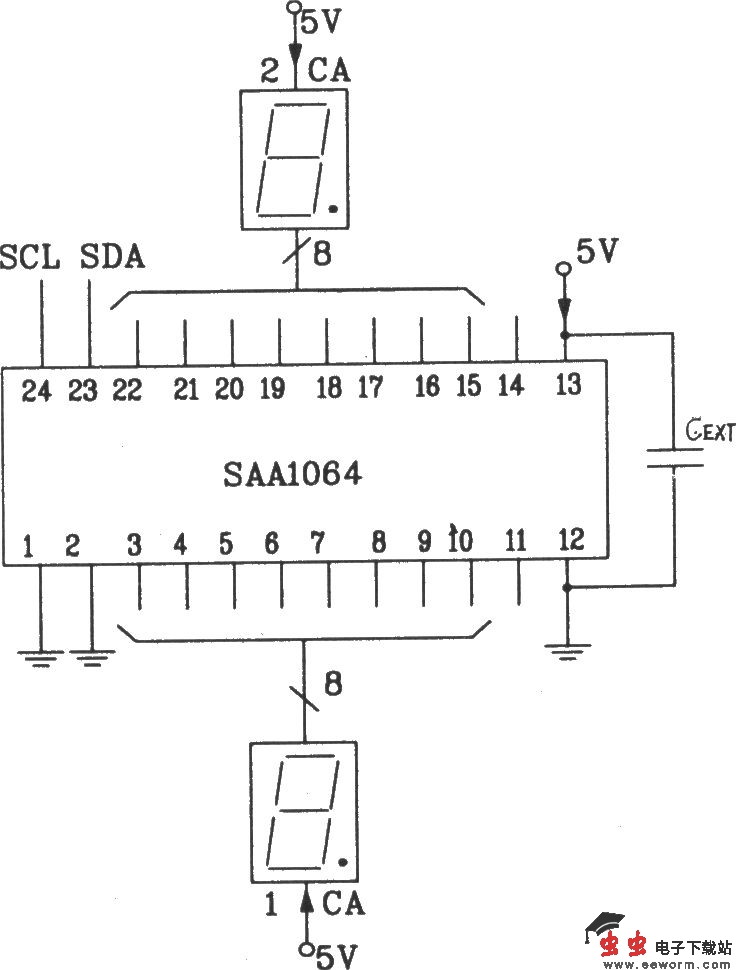
SAA1064串行I2C总线LED显示驱动集成电路静态驱动接口电路

SAA1064串行I2C总线LED显示驱动集成电路静态驱动接口电路

在静态工作方式下,LED不须加外部驱动而直接用两个8位输出口驱动。由于静态驱动不须时钏来切换扫描电路,所以图中外接电容端CEXT直接接地或接Vcc。Vcc与VEE端加去耦电容,一般取值为0.01µF。

觉得这篇文章有帮助吗?