
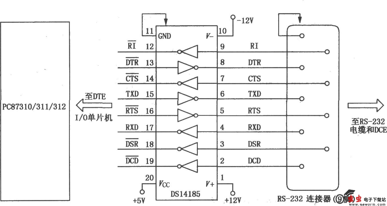
DS14185是3个驱动器和5个接收器的组合器件,内含DC—DC变换器,无需±12V电源供电。其内部有噪声滤波,故无需外接速率转换滤波电容。DS14185可用于数据终端设备(DTE)和数据电路终端设备(DCE)接口,驱动器输入端和接收器输出端与TTL或CMOS电路兼容。在数据终端设备(DTE)至数据电路终端设备(DCE)的传输接口中共有9个引脚,其中2条数据线、6条控制线。数据线为TXD和RXD,控制线为RTS、DTR、DSRT、DCE、CTS、RI。DS14185提供DTE接口,具体接线见图如图所示。