D/A转换器的电流环接口(隔离式可编程电压/电流传感器1B22)

📅 发布时间:2013-10-01 17:00 👁️ 浏览:0 🏷️ 标签: 1B22 转换器 电流环 接口

D/A转换器的电流环接口(隔离式可编程电压/电流传感器1B22) 

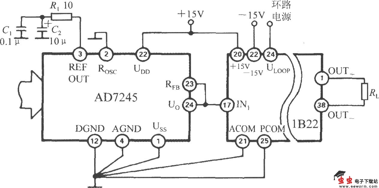
D/A转换器的电流环接口电路如图所示。该电路能将D/A转换器产生的模拟电压转换成隔离输出的4~20mA电流。D/A转换器可选用AD7245(12位DAC)等型号,将其输出电压范围设定为0~10V。利用1B22还可实现电路隔离及输出过电压保护。

觉得这篇文章有帮助吗?