单片加速度传感器MMA1220D与单片机的接口电路

📅 发布时间:2013-10-01 16:25 👁️ 浏览:0 🏷️ 标签: 1220D 1220 MMA 加速度传感器

单片加速度传感器MMA1220D与单片机的接口电路

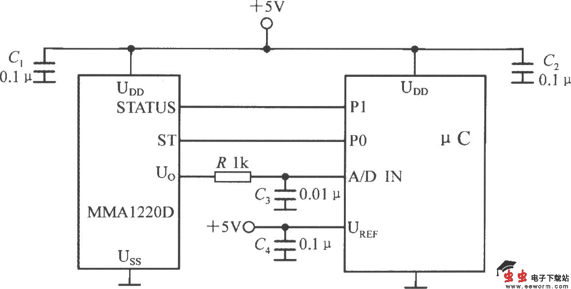
如图所示为单片加速度传感器MMA1220D与单片机的接口电路。所用单片机内部带A/D转换器,可选用Microchip公司生产的带A/D转换器的PIC系列单片机。MMA1220D的状态端和自检端分别接μC的P1、P0端口,其输出电压送至A/D转换器的输入端。C1、C2为电源退耦电容。A/D转换器的基准电压端(UREF)接 5V。

觉得这篇文章有帮助吗?