
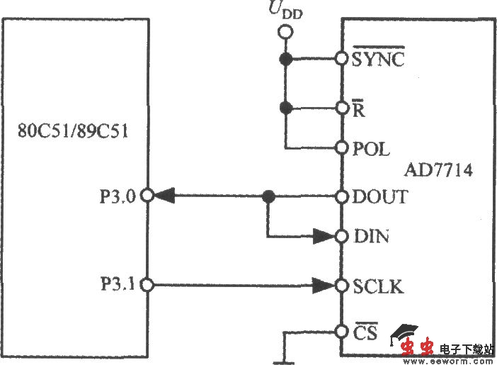
AD7714的3线接口能配各种微控制器(含单片机或微处理器)。3线串行接口尤其适用于隔离系统,可使系统中所用光耦合器的数量为最少。AD7714与80C51(或87C51、89C51等)单片机的接口电路如图所示。80C51所用的最少口线仅为两条(P3.0,P3.1)。此时,由监视配置寄存器的DRDY非位来确定数据寄存器何时被更新。80C51工作在模式0方式,由于其串行接口包含了单根数据线,因此应将 AD7714的DOUT和DIN端短接。在传送数据时80C51的串行时钟端被置成高电平。AD7714的POL端固定接高电平。