⭐ 欢迎来到虫虫下载站! | 📦 资源下载 📁 资源专辑 ℹ️ 关于我们
⭐ 虫虫下载站
🔐 登录 📝 注册
虫虫下载站
虫虫下载站
专业电子工程师资源平台
📤 上传资源
  • 🏠 首页
  • 📦 资源下载
  • 📁 资源专辑
  • 🔧 热门软件
  • ⭐ 精品资源
  • 🎓 基础知识
  • 📐 电路图
  • 📚 电子书
  • 🔢 在线计算器
  • 🔍 代码搜索
🏠 首页 › 📐 电路图 › 555电路

📐 555电路

📊 共 2241 个电路图 🎨 设计参考
CH7555构成的任意倍频器电路图

CH7555构成的任意倍频器

📅 01-01 查看 →
使用555时基电路组成的锯齿波振荡器电路图

使用555时基电路组成的锯齿波振荡器

📅 01-01 查看 →
采用555组成占空比可调的方波振荡器电路图

采用555组成占空比可调的方波振荡器

📅 01-01 查看 →
线性锯齿波振荡器电路图

线性锯齿波振荡器

📅 01-01 查看 →
简易马达调速器电路图

简易马达调速器

📅 01-01 查看 →
双向晶间管控制电路电路图

双向晶间管控制电路

📅 01-01 查看 →
液体液面和温度监控电路电路图

液体液面和温度监控电路

📅 01-01 查看 →
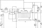
单相可控硅过零触发电炉温控电路(NE555、C302、CD40192)电路图

单相可控硅过零触发电炉温控电路(NE555、C302、CD40192)

📅 01-01 查看 →
采用温度/频率转换的高精度控温电路(LM567、NE555)电路图

采用温度/频率转换的高精度控温电路(LM567、NE555)

📅 01-01 查看 →
由NE555、LM567组成的温频转换式温控器电路图

由NE555、LM567组成的温频转换式温控器

📅 01-01 查看 →
超温监测警示电路(LM35、LM741)电路图

超温监测警示电路(LM35、LM741)

📅 01-01 查看 →
T-121温度传感器构成温度控制电路电路图

T-121温度传感器构成温度控制电路

📅 01-01 查看 →
一种温度/频率-音频译码的温控电路电路图

一种温度/频率-音频译码的温控电路

📅 01-01 查看 →
精密数字式定时控制器(CC4013、CC440、CC4060、G1555)电路图

精密数字式定时控制器(CC4013、CC440、CC4060、G1555)

📅 01-01 查看 →
555构成简单的长时间定时电路电路图

555构成简单的长时间定时电路

📅 01-01 查看 →
集成计数式定时器XR2240组成的定时电路电路图

集成计数式定时器XR2240组成的定时电路

📅 01-01 查看 →
由CD4017、LM555构成的多级定时程序控制电路电路图

由CD4017、LM555构成的多级定时程序控制电路

📅 01-01 查看 →
一位数显式定时器(NE555、CD4511、CD40192)电路图

一位数显式定时器(NE555、CD4511、CD40192)

📅 01-01 查看 →
由NE555、CD40110构成的三位数显式电子计时器电路图

由NE555、CD40110构成的三位数显式电子计时器

📅 01-01 查看 →
由NE555、CD4017构成的定时循环排气扇控制器电路图

由NE555、CD4017构成的定时循环排气扇控制器

📅 01-01 查看 →
由NE555、CD4017构成的电话通话计时提醒器电路图

由NE555、CD4017构成的电话通话计时提醒器

📅 01-01 查看 →
具有开、停预置功能的循环定时器(CD4017、NE555)电路图

具有开、停预置功能的循环定时器(CD4017、NE555)

📅 01-01 查看 →
高精度可调式数字定时器(CD4060、CD4040、NE555)电路图

高精度可调式数字定时器(CD4060、CD4040、NE555)

📅 01-01 查看 →
双五挡电子开关控制器(CD4015、NE555)电路图

双五挡电子开关控制器(CD4015、NE555)

📅 01-01 查看 →
由CD4028组成的楼梯灯控制开关电路图

由CD4028组成的楼梯灯控制开关

📅 01-01 查看 →
由NE555、CD4013组成的工业用触摸式电子开关电路图

由NE555、CD4013组成的工业用触摸式电子开关

📅 01-01 查看 →
555构成的室内湿度控制电路电路图

555构成的室内湿度控制电路

📅 01-01 查看 →
自动变换l0挡风速的控制器(C192、555、CD4028)电路图

自动变换l0挡风速的控制器(C192、555、CD4028)

📅 01-01 查看 →
由NE555、CD4514构成的能模拟自然风和能定时关机的电风扇控制器电路图

由NE555、CD4514构成的能模拟自然风和能定时关机的电风扇控制器

📅 01-01 查看 →
由NE555、LM567组成的红外反射式自动报时钟电路电路图

由NE555、LM567组成的红外反射式自动报时钟电路

📅 01-01 查看 →
  • 首页
  • « 上一页
  • 1
  • 2
  • 3
  • 4
  • 5
  • 6
  • 7
  • 8
  • 9
  • 10
  • 下一页 »
  • 末页
🔐 用户登录
加载中...

加载登录表单中...

🎁 免费注册送10积分
加载中...

加载注册表单中...

🔑 找回密码
加载中...

加载表单中...

🔐 需要登录
🔒

登录后即可使用!

🎁 新用户注册立即送10积分
积分可用于下载资源,免费获取优质技术资料
🚪 退出登录
👋

确认要退出登录吗?

退出后需要重新登录才能下载资源

关于虫虫

虫虫下载站是专业的电子工程师资源分享平台,汇聚 622,478+ 优质资源,为工程师提供免费、专业的技术资料。

🌐

快速链接

  • 📦 资源下载
  • 📁 资源专辑
  • 📐 电路图库
  • 📚 电子书籍
  • 🧮 在线计算器

帮助中心

  • 📋 服务条款
  • ℹ️ 关于我们
  • ⚠️ 免责声明
  • 🗺️ 网站地图

联系我们

扫码关注我们

虫虫下载站二维码

虫虫小帮手

© 2011-2025 虫虫下载站 - 专业的电子工程师资源分享平台 | 让技术资源触手可及

京ICP备2021023401号-1