具有开、停预置功能的循环定时器(CD4017、NE555)

📅 发布时间:2013-10-02 23:40 👁️ 浏览:1 🏷️ 标签: 4017 555 CD NE

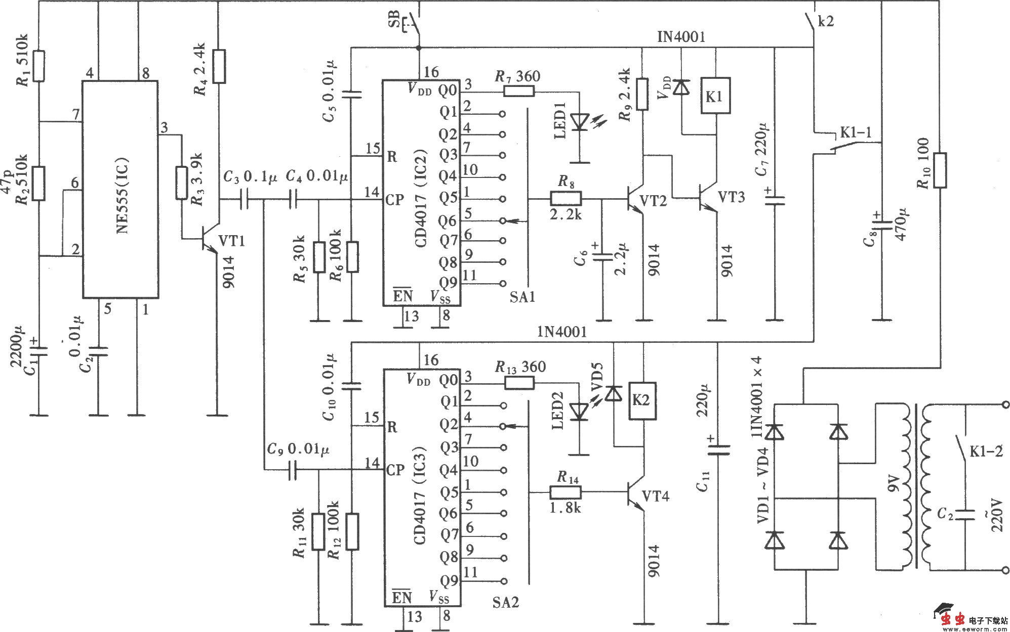
具有开、停预置功能的循环定时器(CD4017、NE555)

该电路是一个由555电路作时基电路组成的循环定时控制器。由555电路输出的时基信号,通过数字电路的分频,可取得多级定时控制输出。通过与继电器的相互配合,组成可预置开机、预置关机的自动循环定时控制器,其电路组成如图所示。

觉得这篇文章有帮助吗?