高精度可调式数字定时器(CD4060、CD4040、NE555)

📅 发布时间:2013-10-02 22:45 👁️ 浏览:1 🏷️ 标签: CD 4060 4040 555

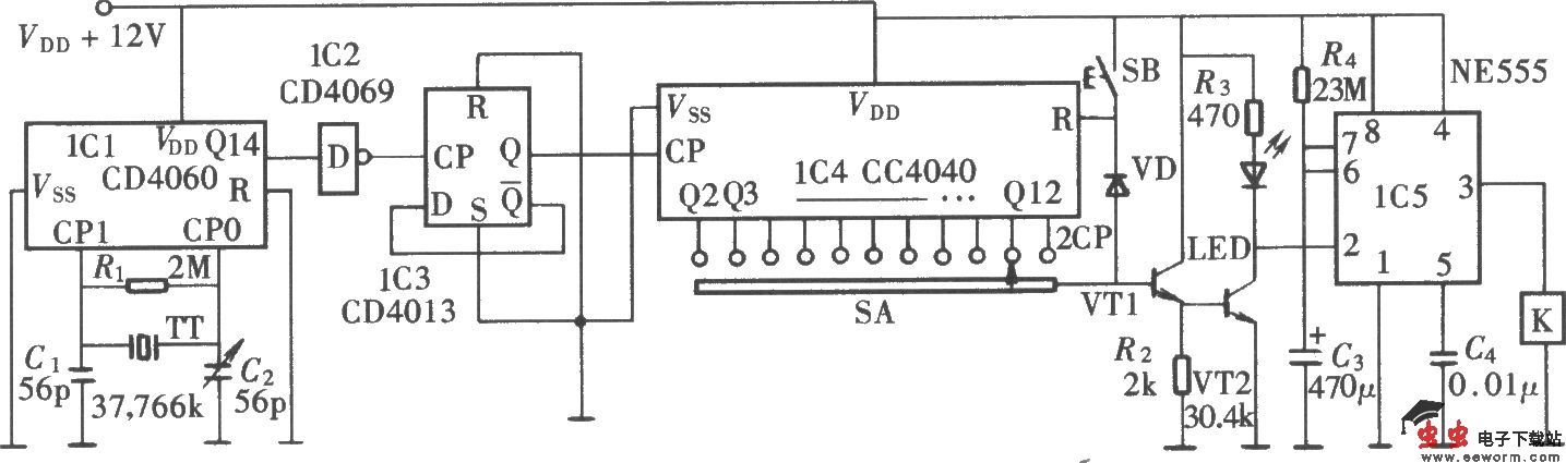
用CD4060与一个32768Hz的石英晶体可组成高精度的石英晶体振荡器,通过内部多级分频后可输出一个精密的秒信号源。再通过外设的可调式多级分频带,就可以组成一个高精度可调式数字定时器。它既可为某些仪器设备提供精确的时间信号,又可用于对设备的精确定时控制,它的组成如图所示。

高精度可调式数字定时器(CD4060、CD4040、NE555) 

觉得这篇文章有帮助吗?