由NE555、CD4013组成的工业用触摸式电子开关

📅 发布时间:2013-10-02 14:10 👁️ 浏览:1 🏷️ 标签: 4013 555 NE CD

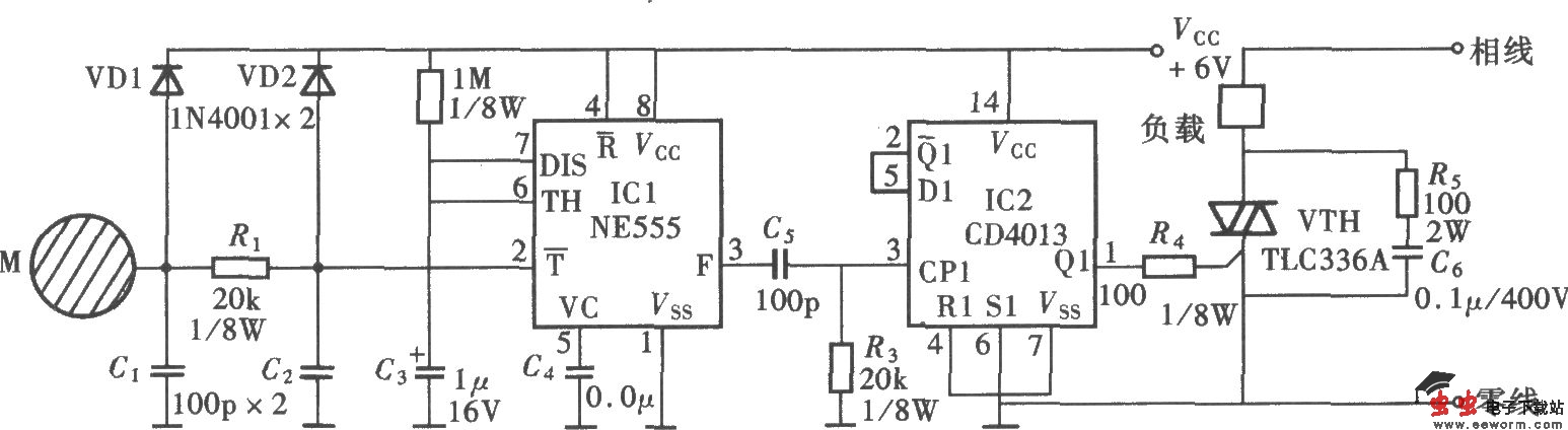
由NE555、CD4013组成的工业用触摸式电子开关

工业中所用控制开关由于开关频繁,工作环境复杂,受多种干扰的影响。因此要求其坚固耐用,操作方便并且有很强的抗干扰能力。该电路通过触摸信号输入电路产生并形成触发信号,触发双向晶闸管元件,使被控电路接通或断开,并设有可靠的抗干扰电路,工作十分可靠,其电路组成如图所示。电路由NE555组成的单稳态触发器产生控制脉冲,由CD4013组成的双稳态触发器作触发控制,用双向晶闸管作控制开关,通过触摸片实现开关控制。

觉得这篇文章有帮助吗?