
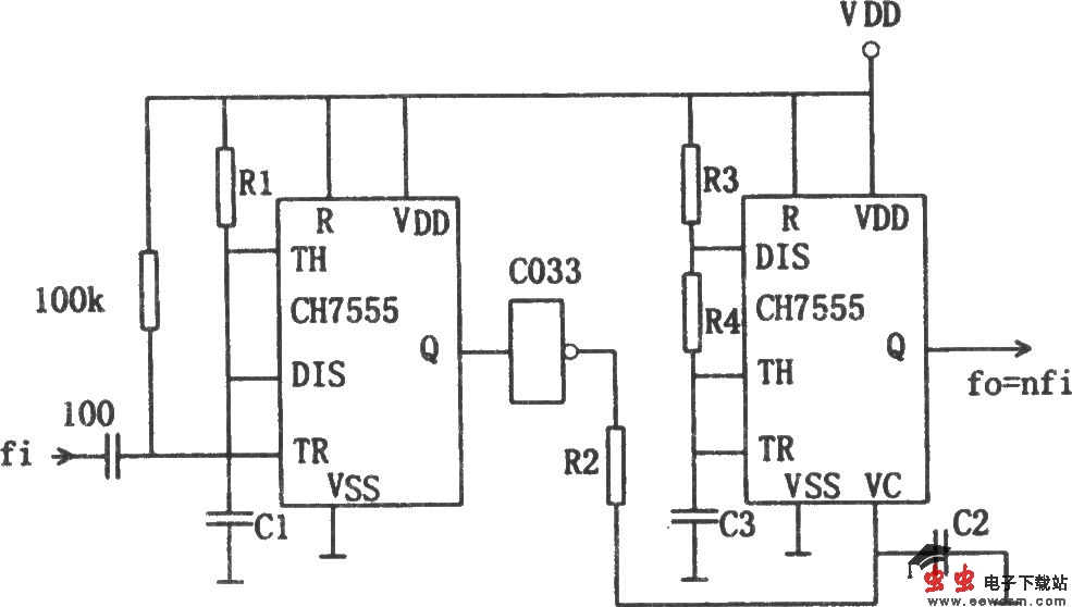
一般利用锁相环组成的倍频器性能较好,能得到较高的倍频率,但是电路结构较复杂,成本较高。而用边沿检测方式产生倍频的方法输出均匀性差。如图所示电路具有简单、动态范围较大、均匀性好等特点。图中,右侧的CH7555定时器接成常规的多谐振荡器,它的电压控制端受外界控制,控制电压的升高将导致输出频率的降低。输入信号首先到达由左侧CH7555定时器组成的单稳态电路,其输出宽度由R1C1设定而保持不变。因此输入信号频率越高,单稳输出的占空比将越大。由于从单稳输出到振荡器控制端Vc之间加了反相器和RC低通滤波器,所以实际情况是:fi升高,Vc降低,fo升高。在一定范围内,fo和fi保持线性关系。调节方法是:先输入最高频率,调节R1C1,使单稳输出的占空比略小于2/3;然后改变R3、R4、C3。以改变输出频率,使之与输入符合要求的关系;低通滤波器R2C2的数值必须足够大以保证在最低频率时没有明显的纹波。