
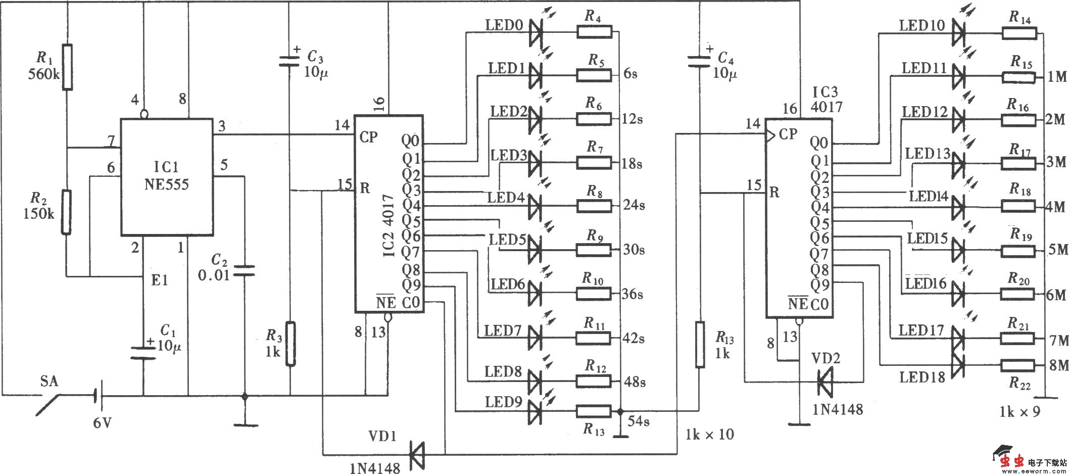
目前我国电话实行以分为单位的计时收费方式,除了在第lmin内,即第一个时段为固定收费外,每当进入下一个时段后的第1s便立即增加一个时段的收费。对于时间较长的通话来说,多lmin的计时收费,在整个通话的计费中其比例是很小的。但是对于经常只需在lmin内完成通话的情况中,即使通话时间拖延ls,其多付出的话费在整个话费中的比例就显得很高。如图所示的通话计时提醒器,对于这样一类通话就显得更有意义了。该计时提醒器电路如图所示。全电路由6s时基发生器、6s分频计时及显示器和分计时与显示器组成。

目前我国电话实行以分为单位的计时收费方式,除了在第lmin内,即第一个时段为固定收费外,每当进入下一个时段后的第1s便立即增加一个时段的收费。对于时间较长的通话来说,多lmin的计时收费,在整个通话的计费中其比例是很小的。但是对于经常只需在lmin内完成通话的情况中,即使通话时间拖延ls,其多付出的话费在整个话费中的比例就显得很高。如图所示的通话计时提醒器,对于这样一类通话就显得更有意义了。该计时提醒器电路如图所示。全电路由6s时基发生器、6s分频计时及显示器和分计时与显示器组成。