由NE555、LM567组成的红外反射式自动报时钟电路

📅 发布时间:2013-10-02 04:45 👁️ 浏览:4 🏷️ 标签: 555 567 NE LM

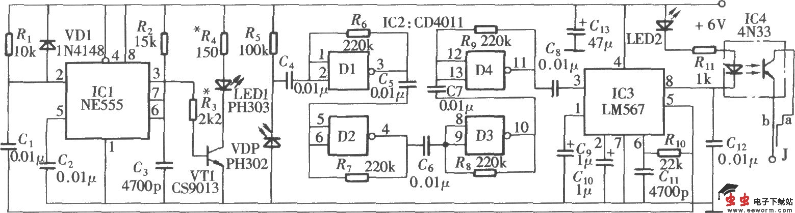
由NE555、LM567组成的红外反射式自动报时钟电路

利用红外线可以通过反射传播的原理,制作一套红外线发射、接收电路,通过接收电路输出的控制信号触发钟表内的报时电路,可以组成自动报时钟。当有人接近钟表时,它会自动报出当时的时间,电路组成如图所示。它由红外线发射电路,红外线接收与信号放大电路,信号解调电路与输出控制电路组成。

觉得这篇文章有帮助吗?