一种温度/频率-音频译码的温控电路

📅 发布时间:2013-10-03 07:50 👁️ 浏览:1 🏷️ 标签: 温度 频率 音频 译码

一种温度/频率-音频译码的温控电路

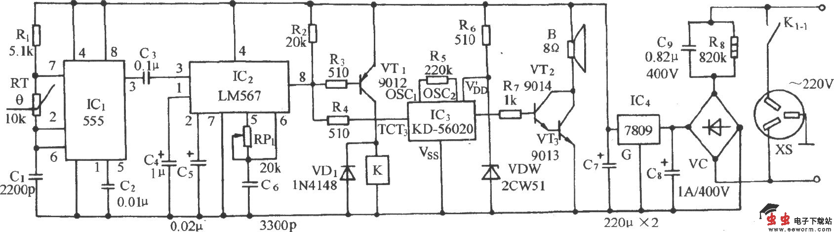
电路如图所示,它由多谐振荡器、音频译码器、继电器控制降温设备、鸟鸣发声电路和交流降压整流电路等组成。IC1是555时基集成电路。它与热敏电阻器RT,R1,C1等组成一个自激式多谐振荡器。当环境温度变化时,负温度系数(NTC)的RT的阻值也随之变化,故多谐振荡器也随温度变化

觉得这篇文章有帮助吗?