集成计数式定时器XR2240组成的定时电路

📅 发布时间:2013-10-03 03:30 👁️ 浏览:3 🏷️ 标签: 2240 XR 集成 定时器

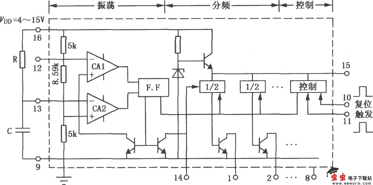
XR2240是一种集成计数式定时器,是基于555的改进型器件,其内部包含了一个由555构成的振荡器、8级分频器以及控制逻辑电路等。

XR2240的方框图及时序图:

集成计数式定时器XR2240组成的定时电路

集成计数式定时器XR2240组成的定时电路

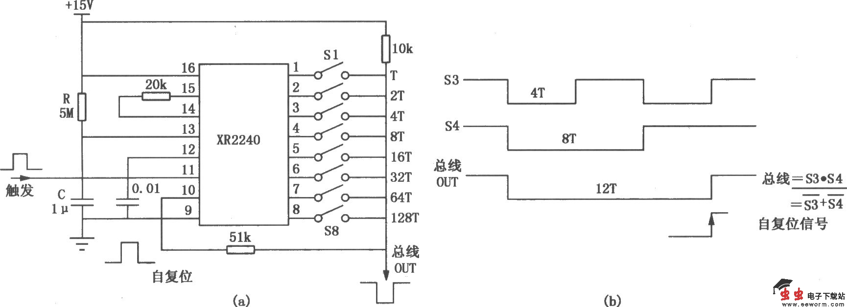
XR2240用于定时的具体电路及波形:

集成计数式定时器XR2240组成的定时电路 

觉得这篇文章有帮助吗?