⭐ 欢迎来到虫虫下载站! | 📦 资源下载 📁 资源专辑 ℹ️ 关于我们
⭐ 虫虫下载站
🔐 登录 📝 注册
虫虫下载站
虫虫下载站
专业电子工程师资源平台
📤 上传资源
  • 🏠 首页
  • 📦 资源下载
  • 📁 资源专辑
  • 🔧 热门软件
  • ⭐ 精品资源
  • 🎓 基础知识
  • 📐 电路图
  • 📚 电子书
  • 🔢 在线计算器
  • 🔍 代码搜索
🏠 首页 › 📐 电路图 › 收音射频

📐 收音射频

📊 共 477 个电路图 🎨 设计参考
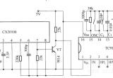
KIA6933S/6957P构成的四动作射频遥控发射、接收电路图电路图

KIA6933S/6957P构成的四动作射频遥控发射、接收电路图

📅 01-01 查看 →
ED5026/5027构成红外遥控编码、译码电路图电路图

ED5026/5027构成红外遥控编码、译码电路图

📅 01-01 查看 →
由TM701/TM702构成射频遥控发射、接收电路图电路图

由TM701/TM702构成射频遥控发射、接收电路图

📅 01-01 查看 →
由YN5103/5203多路射频遥控编码发射、译码接收集成电路电路图

由YN5103/5203多路射频遥控编码发射、译码接收集成电路

📅 01-01 查看 →
由M303S/303R构成的遥控编码发射、解码接收电路图电路图

由M303S/303R构成的遥控编码发射、解码接收电路图

📅 01-01 查看 →
密室防入无线报叫器电路电路图

密室防入无线报叫器电路

📅 01-01 查看 →
由KD704/KD705构成的射频遥控发射、接收电路图电路图

由KD704/KD705构成的射频遥控发射、接收电路图

📅 01-01 查看 →
ACMl330E/1550D在无线电发射与接收中的应用电路图

ACMl330E/1550D在无线电发射与接收中的应用

📅 01-01 查看 →
运动物体探测器电路图

运动物体探测器

📅 01-01 查看 →
小型无线呼叫系统(BA1401/TDA7010T)电路图

小型无线呼叫系统(BA1401/TDA7010T)

📅 01-01 查看 →
DTMF无线寻呼系统电路图

DTMF无线寻呼系统

📅 01-01 查看 →
数字寻呼系统(F36-F/F36-J)电路图

数字寻呼系统(F36-F/F36-J)

📅 01-01 查看 →
无线调速发射接收电路电路图

无线调速发射接收电路

📅 01-01 查看 →
医院病床呼叫器电路图

医院病床呼叫器

📅 01-01 查看 →
无线抢答器电路电路图

无线抢答器电路

📅 01-01 查看 →
TWH9238的互锁应用电路电路图

TWH9238的互锁应用电路

📅 01-01 查看 →
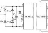
电话无线振铃电路(RCMlA/RCMlB构成收发模块)电路图

电话无线振铃电路(RCMlA/RCMlB构成收发模块)

📅 01-01 查看 →
T630/T631组成的发射接收电路电路图

T630/T631组成的发射接收电路

📅 01-01 查看 →
病房无线呼叫发射与接收显示电路(M303S/M303R)电路图

病房无线呼叫发射与接收显示电路(M303S/M303R)

📅 01-01 查看 →
幼童防走失提醒器(RCMlA/RCMlB构成收发模块)电路图

幼童防走失提醒器(RCMlA/RCMlB构成收发模块)

📅 01-01 查看 →
电话振铃提醒器电路图

电话振铃提醒器

📅 01-01 查看 →
防盗高压密码箱电路图

防盗高压密码箱

📅 01-01 查看 →
LC2190的原理及应用电路电路图

LC2190的原理及应用电路

📅 01-01 查看 →
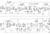
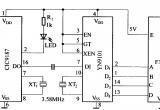
TC9149的应用电路电路图

TC9149的应用电路

📅 01-01 查看 →
摩托罗拉V998射频种部分方框图电路图

摩托罗拉V998射频种部分方框图

📅 01-01 查看 →
用MC14093构成的微型电机调速电路电路图

用MC14093构成的微型电机调速电路

📅 01-01 查看 →
德生收音机电路图电路图

德生收音机电路图

📅 01-01 查看 →
简易无线电发射与接收电路电路图

简易无线电发射与接收电路

📅 01-01 查看 →
采用分立元件的视频发射电路电路图

采用分立元件的视频发射电路

📅 01-01 查看 →
收音机电路图电路图

收音机电路图

📅 01-01 查看 →
  • 首页
  • « 上一页
  • 1
  • 2
  • 3
  • 4
  • 5
  • 6
  • 7
  • 8
  • 9
  • 10
  • 下一页 »
  • 末页
🔐 用户登录
加载中...

加载登录表单中...

🎁 免费注册送10积分
加载中...

加载注册表单中...

🔑 找回密码
加载中...

加载表单中...

🔐 需要登录
🔒

登录后即可使用!

🎁 新用户注册立即送10积分
积分可用于下载资源,免费获取优质技术资料
🚪 退出登录
👋

确认要退出登录吗?

退出后需要重新登录才能下载资源

关于虫虫

虫虫下载站是专业的电子工程师资源分享平台,汇聚 622,478+ 优质资源,为工程师提供免费、专业的技术资料。

🌐

快速链接

  • 📦 资源下载
  • 📁 资源专辑
  • 📐 电路图库
  • 📚 电子书籍
  • 🧮 在线计算器

帮助中心

  • 📋 服务条款
  • ℹ️ 关于我们
  • ⚠️ 免责声明
  • 🗺️ 网站地图

联系我们

扫码关注我们

虫虫下载站二维码

虫虫小帮手

© 2011-2025 虫虫下载站 - 专业的电子工程师资源分享平台 | 让技术资源触手可及

京ICP备2021023401号-1