射频遥控发射集成电路KIA6933S内部由脉冲发生器、占空因数调节器、混频器、载频振荡器和射频放大器组成。由它构成的遥控发射电路外转电路简单,调试容易,通常可实现4种状态的遥控。接收电路KIA6957P内部设有二级低频放大单元、积分电路以及信号比较检测电路。由于基内部没有高频接收电路,所以一般情况下均采用外加超再生式高频接收电路与之配合使用同类型号的电路还有:DF-27/DJ-27,TA7333P/TA7657P。

KIA6933S遥控发射芯片外形引脚图

KIA6957P接收芯片外形引脚图
KIA6933S发射芯片内部原理框图
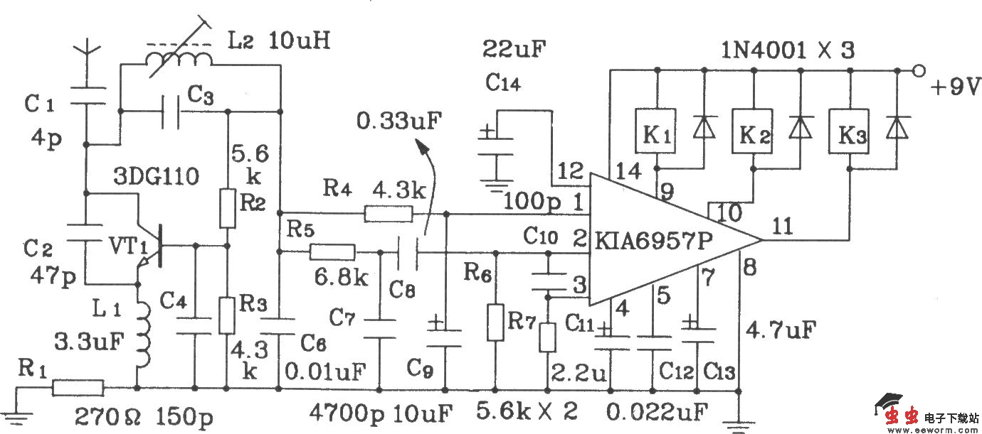
KIA6957P接收芯片内部原理框图 主要工作指标 KIA6933S发射芯片典型工作电压为 9V,第9脚开路集电极的射频放大管最高工作电压可达18V。通过提高9脚的工作电压值,可提高发射功率(但效果最好的还是在9脚之后加射频功率放大电路)。外接晶体振荡器的工作频率可采用27 MHz或40 MHz,内部脉冲发生器频率由f=I/0.3R1·Cl决定。KIA6957P接收芯片典型工作电压也为 9V。 下图是分别由KIA6933S/6957P构成四动作射频遥控发射电路:
