医院病床呼叫器

📅 发布时间:2013-09-27 07:50 👁️ 浏览:1 🏷️ 标签: 呼叫器

呼叫发射电路:

医院病床呼叫器

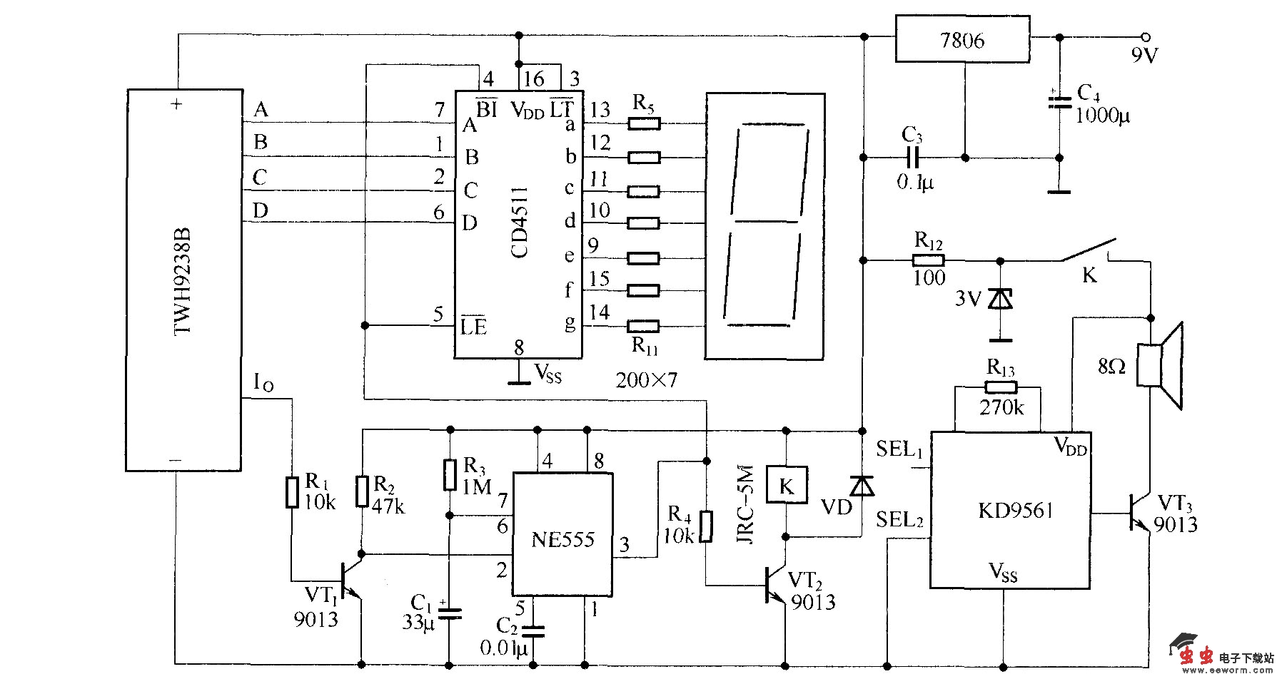
呼叫接收电路:

医院病床呼叫器

呼叫声响电路由发声电路KD9561和扬声器组成,它受控制电路的控制而发声。当接收电路接收解码有效时,Io输出一个正向脉冲,这一脉冲通过控制电路使继电器K吸合,接通KD9561的工作电源使其发声。

觉得这篇文章有帮助吗?