密室防入无线报叫器电路

📅 发布时间:2013-09-27 13:30 👁️ 浏览:2 🏷️ 标签: 无线 电路

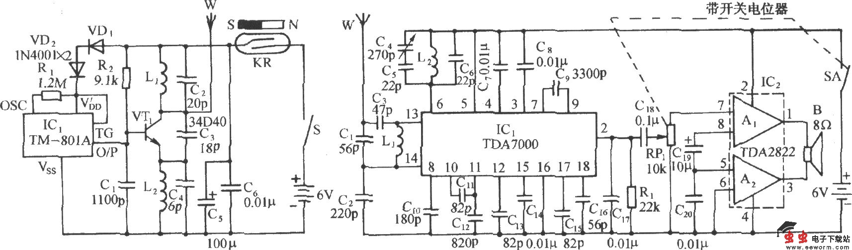
密室防入无线报叫器电路

电路如图所示。它由无线调频(FM)发射器电路和无线接收机两部分组成。当有人破门而入时,无线发射机发出玻璃破碎声的调频信号,百米外的监听接收机收到并解调出玻璃破碎声信号,经功率放大后驱动扬声器B发声。

觉得这篇文章有帮助吗?