由YN5103/5203多路射频遥控编码发射、译码接收集成电路

📅 发布时间:2013-09-27 14:15 👁️ 浏览:1 🏷️ 标签: 5103 5203 YN 多路

由YN5103/5203多路射频遥控编码发射、译码接收集成电路 

YN5103构成的射频遥控编码发射电路

由YN5103/5203多路射频遥控编码发射、译码接收集成电路 

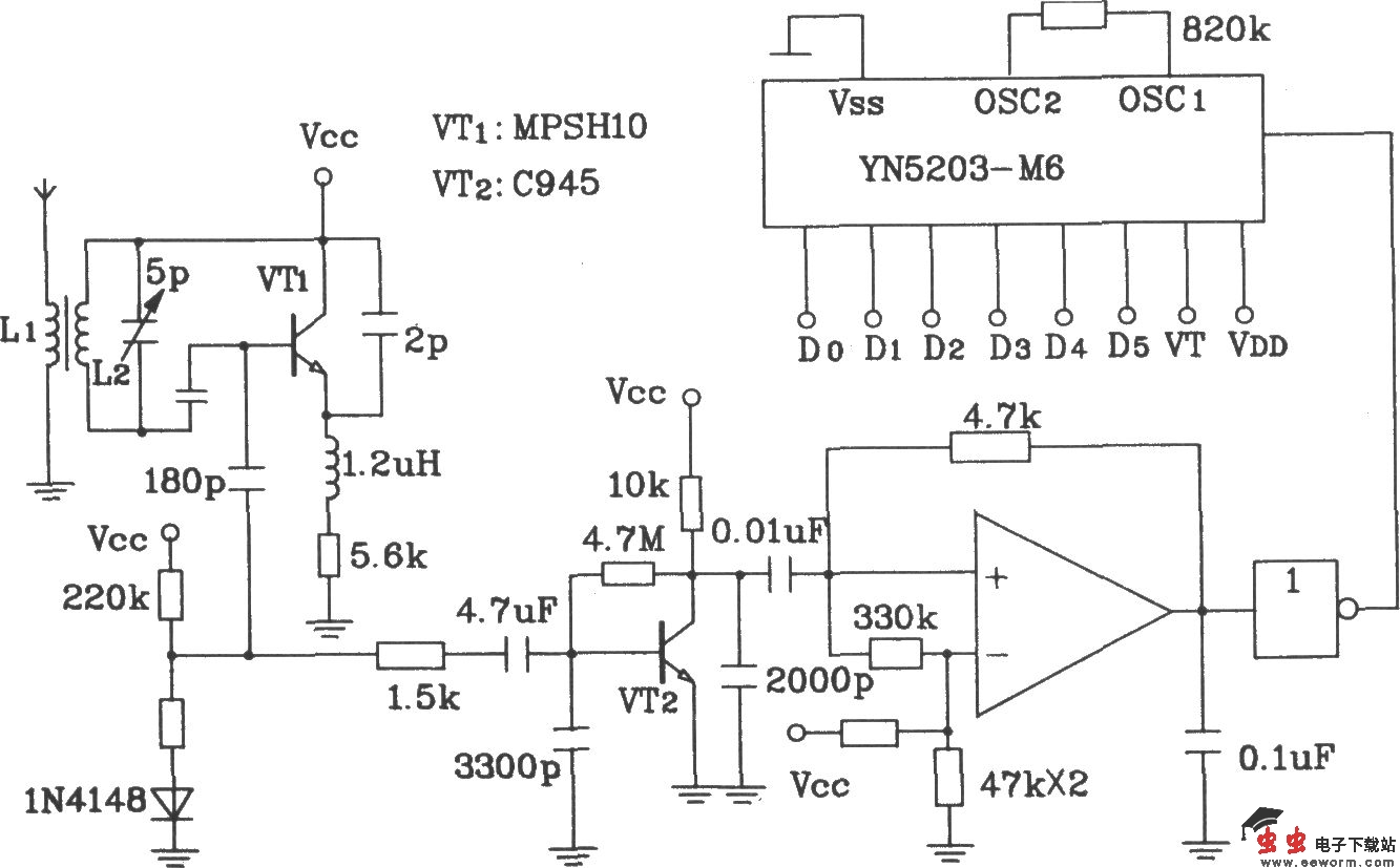
YN5203构成的射频遥控译码接收电路 电路是的运算放大器用LM741、LF358或LM324等均可,非门采用CD4069。

觉得这篇文章有帮助吗?