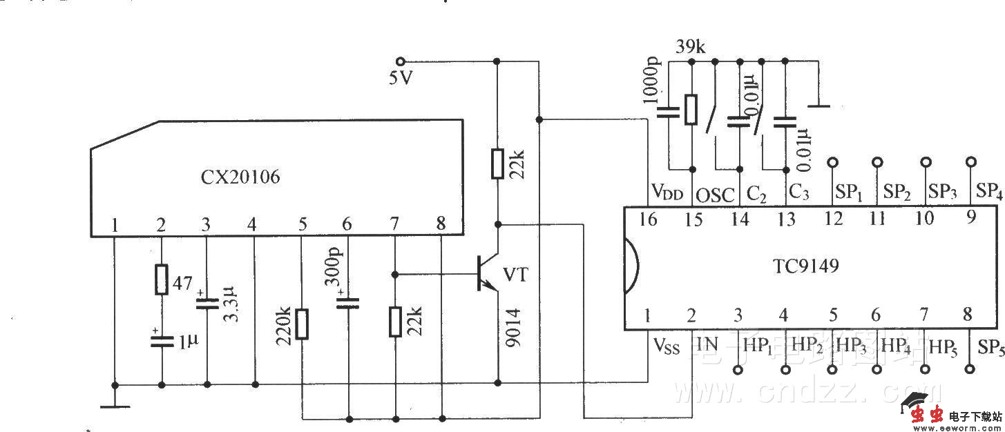
TC9149的应用电路

📅 发布时间:2013-09-26 21:50 👁️ 浏览:0 🏷️ 标签: 9149 TC 应用电路

TC9149的应用电路

图中采用CX20106A作为红外接收解调电路,解调后的输出信号中包含了发射电路发送的全部编码。

觉得这篇文章有帮助吗?