TWH9238的互锁应用电路

📅 发布时间:2013-09-27 07:20 👁️ 浏览:0 🏷️ 标签: 9238 TWH 应用电路

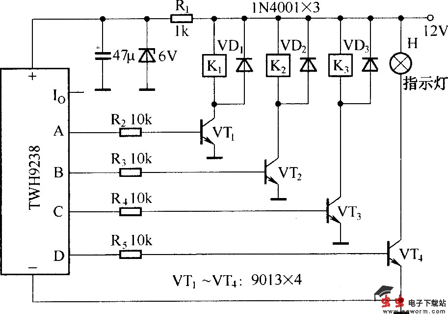
TWH9238的互锁应用电路

发射组件TWH9238的输出端A,B,C,D各自通过一路晶体管驱动器驱动一个直流继电器,该电路在同一时间内只能有一路输出起到控制作用.D路输出连接一指示灯,用来指示停机状态.

觉得这篇文章有帮助吗?