由TM701/TM702构成射频遥控发射、接收电路图

📅 发布时间:2013-09-27 14:35 👁️ 浏览:1 🏷️ 标签: TM 701 702 射频遥控

TM701/702专用遥控发射/接收集成电路与TM703/702红外遥控发射/接收集成电路属同一类遥控专用器件。

由TM701/TM702构成射频遥控发射、接收电路图

TM701外形引脚图

由TM701/TM702构成射频遥控发射、接收电路图 

TM701内部原理框图

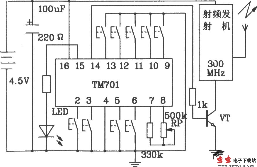
由TM701/TM702构成射频遥控发射、接收电路图 

TM701构成射频遥控发射电路

由TM701/TM702构成射频遥控发射、接收电路图 

TM702构成射遥控接收电路

觉得这篇文章有帮助吗?