LC2190的原理及应用电路

📅 发布时间:2013-09-27 00:45 👁️ 浏览:0 🏷️ 标签: 2190 LC 应用电路

LC2190是LC219的改进型电路,改进后的发射编码电路的内部原理如下图所示

LC2190的原理及应用电路

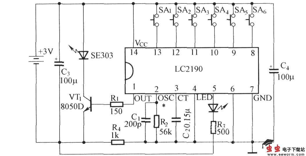
下图是其应用电路

LC2190的原理及应用电路

觉得这篇文章有帮助吗?