⭐ 欢迎来到虫虫下载站! | 📦 资源下载 📁 资源专辑 ℹ️ 关于我们
⭐ 虫虫下载站
🔐 登录 📝 注册
虫虫下载站
虫虫下载站
专业电子工程师资源平台
📤 上传资源
  • 🏠 首页
  • 📦 资源下载
  • 📁 资源专辑
  • 🔧 热门软件
  • ⭐ 精品资源
  • 🎓 基础知识
  • 📐 电路图
  • 📚 电子书
  • 🔢 在线计算器
  • 🔍 代码搜索
🏠 首页 › 📐 电路图 › 自控(Auto)

📐 自控(Auto)

📊 共 220 个电路图 🎨 设计参考
TX05D构成的家用自动水龙头电路图

TX05D构成的家用自动水龙头

📅 01-01 查看 →
骨质增生治疗仪(1)电路图

骨质增生治疗仪(1)

📅 01-01 查看 →
自动抽油烟机电路图电路图

自动抽油烟机电路图

📅 01-01 查看 →
高宝牌KCA-230型自动抽油烟机电路图

高宝牌KCA-230型自动抽油烟机

📅 01-01 查看 →
CG1-30型自动气割机电路图

CG1-30型自动气割机

📅 01-01 查看 →
玉立牌CST-8-170型抽油烟机自动监控电路电路图

玉立牌CST-8-170型抽油烟机自动监控电路

📅 01-01 查看 →
奇辉GF-066型全自动消防应急灯电路电路图

奇辉GF-066型全自动消防应急灯电路

📅 01-01 查看 →
节能防盗自动照明灯电路电路图

节能防盗自动照明灯电路

📅 01-01 查看 →
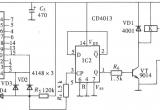
由CD4013组成的自动双色变色灯电路电路图

由CD4013组成的自动双色变色灯电路

📅 01-01 查看 →
用SH803构成的彩灯控制电路电路图

用SH803构成的彩灯控制电路

📅 01-01 查看 →
用CD4069组成的照明灯节能控制器电路电路图

用CD4069组成的照明灯节能控制器电路

📅 01-01 查看 →
光控节能路灯工作原理图(二)电路图

光控节能路灯工作原理图(二)

📅 01-01 查看 →
钥匙式取电板原理电路图

钥匙式取电板原理

📅 01-01 查看 →
木耳自动烘干箱电路原理图电路图

木耳自动烘干箱电路原理图

📅 01-01 查看 →
自动投料机的电路原理分析电路图

自动投料机的电路原理分析

📅 01-01 查看 →

可控硅移相触发器的应用-DJK3型三相异步电机节电器

📅 01-01 查看 →
用CD406、CD4013组成的自动循环定时器电路电路图

用CD406、CD4013组成的自动循环定时器电路

📅 01-01 查看 →
用单片机组成的游泳自动计时装置电路电路图

用单片机组成的游泳自动计时装置电路

📅 01-01 查看 →
ZLK-1型电磁调速装置工作原理电路图

ZLK-1型电磁调速装置工作原理

📅 01-01 查看 →
调光/调速电路电路图

调光/调速电路

📅 01-01 查看 →
用S7232构成的触摸式调光器电路电路图

用S7232构成的触摸式调光器电路

📅 01-01 查看 →
用CD4017组成的按键式手控调光调速电路电路图

用CD4017组成的按键式手控调光调速电路

📅 01-01 查看 →
吊扇调速器电路图

吊扇调速器

📅 01-01 查看 →
(金龙牌)吊扇无级调速电路电路图

(金龙牌)吊扇无级调速电路

📅 01-01 查看 →
具有稳光功能的晶闸管调光灯电路电路图

具有稳光功能的晶闸管调光灯电路

📅 01-01 查看 →
用单项可控硅构成的交流调速电路电路图

用单项可控硅构成的交流调速电路

📅 01-01 查看 →
小型直流电机电子稳速电路电路图

小型直流电机电子稳速电路

📅 01-01 查看 →
智能无功功率自动补偿控制器电路图

智能无功功率自动补偿控制器

📅 01-01 查看 →
全自动多用途应急灯电路图电路图

全自动多用途应急灯电路图

📅 01-01 查看 →
5G167音频压控双向流水彩灯控制电路电路图

5G167音频压控双向流水彩灯控制电路

📅 01-01 查看 →
  • 首页
  • « 上一页
  • 1
  • 2
  • 3
  • 4
  • 5
  • 6
  • 7
  • 8
  • 下一页 »
  • 末页
🔐 用户登录
加载中...

加载登录表单中...

🎁 免费注册送10积分
加载中...

加载注册表单中...

🔑 找回密码
加载中...

加载表单中...

🔐 需要登录
🔒

登录后即可使用!

🎁 新用户注册立即送10积分
积分可用于下载资源,免费获取优质技术资料
🚪 退出登录
👋

确认要退出登录吗?

退出后需要重新登录才能下载资源

关于虫虫

虫虫下载站是专业的电子工程师资源分享平台,汇聚 622,478+ 优质资源,为工程师提供免费、专业的技术资料。

🌐

快速链接

  • 📦 资源下载
  • 📁 资源专辑
  • 📐 电路图库
  • 📚 电子书籍
  • 🧮 在线计算器

帮助中心

  • 📋 服务条款
  • ℹ️ 关于我们
  • ⚠️ 免责声明
  • 🗺️ 网站地图

联系我们

扫码关注我们

虫虫下载站二维码

虫虫小帮手

© 2011-2025 虫虫下载站 - 专业的电子工程师资源分享平台 | 让技术资源触手可及

京ICP备2021023401号-1