用SH803构成的彩灯控制电路

📅 发布时间:2013-09-25 22:50 👁️ 浏览:0 🏷️ 标签: 803 SH 彩灯控制 电路

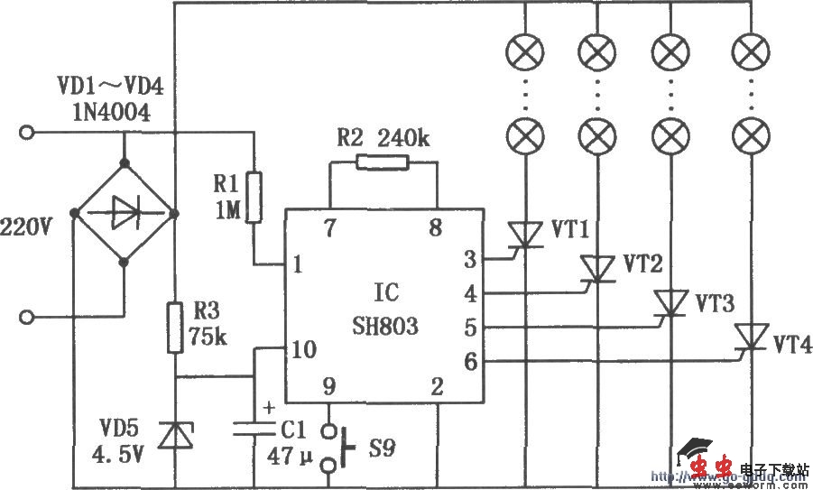
SH803构成的彩灯控制电路

由SH803模块构成的彩灯控制电路如图所示。它具有8种功能,可以通过人工或自动控制,使发光二极管或各种彩灯产生千姿百态、变幻无穷的闪亮,用于门面店铺的灯光装潢、节日彩灯装饰以及摩托车尾箱和汽车刹车等的灯光装饰。

觉得这篇文章有帮助吗?