⭐ 欢迎来到虫虫下载站! | 📦 资源下载 📁 资源专辑 ℹ️ 关于我们
⭐ 虫虫下载站
🔐 登录 📝 注册
虫虫下载站
虫虫下载站
专业电子工程师资源平台
📤 上传资源
  • 🏠 首页
  • 📦 资源下载
  • 📁 资源专辑
  • 🔧 热门软件
  • ⭐ 精品资源
  • 🎓 基础知识
  • 📐 电路图
  • 📚 电子书
  • 🔢 在线计算器
  • 🔍 代码搜索
🏠 首页 › 📐 电路图 › 自控(Auto)

📐 自控(Auto)

📊 共 220 个电路图 🎨 设计参考
采用双向晶闸管的夜间自动照明电路电路图

采用双向晶闸管的夜间自动照明电路

📅 01-01 查看 →
水温自动控制器电路电路图

水温自动控制器电路

📅 01-01 查看 →
热带鱼鱼缸水温自动加热控制器电路电路图

热带鱼鱼缸水温自动加热控制器电路

📅 01-01 查看 →
自动调功式温控器(SF3914、CD4066、CD4017)电路图

自动调功式温控器(SF3914、CD4066、CD4017)

📅 01-01 查看 →
大棚温度和湿度自动控制器电路电路图

大棚温度和湿度自动控制器电路

📅 01-01 查看 →
最简单的豆流电动机调速电路电路图

最简单的豆流电动机调速电路

📅 01-01 查看 →
申励电动机的半波调速电路电路图

申励电动机的半波调速电路

📅 01-01 查看 →
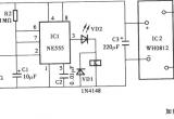
SF1212自动曝光集成(定时)控制电路电路图

SF1212自动曝光集成(定时)控制电路

📅 01-01 查看 →
D触发器组成的定时器电路图

D触发器组成的定时器

📅 01-01 查看 →
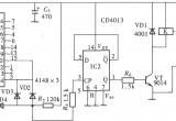
用CD4013组成的正、负极性脉冲延迟电路电路图

用CD4013组成的正、负极性脉冲延迟电路

📅 01-01 查看 →
自动循环定时器电路(CD406、CD4013)电路图

自动循环定时器电路(CD406、CD4013)

📅 01-01 查看 →
钟控鱼缸自动充氧电路电路图

钟控鱼缸自动充氧电路

📅 01-01 查看 →
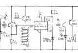
用集成触发器KC04的调速电路电路图

用集成触发器KC04的调速电路

📅 01-01 查看 →
MA21小型电子调速器电路电路图

MA21小型电子调速器电路

📅 01-01 查看 →
S7232构成的触摸式调光器电路图

S7232构成的触摸式调光器

📅 01-01 查看 →
大功率直流电机调速电路电路图

大功率直流电机调速电路

📅 01-01 查看 →
可调速吸尘器电路电路图

可调速吸尘器电路

📅 01-01 查看 →
鱼缸间歇充氧定时器电路电路图

鱼缸间歇充氧定时器电路

📅 01-01 查看 →
抽油烟机光耦合自动控制电路电路电路图

抽油烟机光耦合自动控制电路电路

📅 01-01 查看 →
鸡舍自动补光灯电路电路图

鸡舍自动补光灯电路

📅 01-01 查看 →
用ER1211专用集成电路作自动曝光控制器电路电路图

用ER1211专用集成电路作自动曝光控制器电路

📅 01-01 查看 →
自动呼叫人名的电话机电路图

自动呼叫人名的电话机

📅 01-01 查看 →
起床号自动广播器电路电路图

起床号自动广播器电路

📅 01-01 查看 →
交流电焊机节电控制器电路图

交流电焊机节电控制器

📅 01-01 查看 →
自动电平控制电路(ALC电路)电路图

自动电平控制电路(ALC电路)

📅 01-01 查看 →
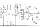
下限温度鸟鸣报叫及自动加温控制电路电路图

下限温度鸟鸣报叫及自动加温控制电路

📅 01-01 查看 →
花圃土壤缺水自动灌水控制及语音报叫电路电路图

花圃土壤缺水自动灌水控制及语音报叫电路

📅 01-01 查看 →
鱼塘热天缺氧自动加氧控制电路电路图

鱼塘热天缺氧自动加氧控制电路

📅 01-01 查看 →
可燃气浴室有害气体超标自动通风及语言告戒电路电路图

可燃气浴室有害气体超标自动通风及语言告戒电路

📅 01-01 查看 →
蛋鸡高产自动增光照射伴公鸡啼叫电路电路图

蛋鸡高产自动增光照射伴公鸡啼叫电路

📅 01-01 查看 →
  • 首页
  • « 上一页
  • 1
  • 2
  • 3
  • 4
  • 5
  • 6
  • 7
  • 8
  • 下一页 »
  • 末页
🔐 用户登录
加载中...

加载登录表单中...

🎁 免费注册送10积分
加载中...

加载注册表单中...

🔑 找回密码
加载中...

加载表单中...

🔐 需要登录
🔒

登录后即可使用!

🎁 新用户注册立即送10积分
积分可用于下载资源,免费获取优质技术资料
🚪 退出登录
👋

确认要退出登录吗?

退出后需要重新登录才能下载资源

关于虫虫

虫虫下载站是专业的电子工程师资源分享平台,汇聚 622,478+ 优质资源,为工程师提供免费、专业的技术资料。

🌐

快速链接

  • 📦 资源下载
  • 📁 资源专辑
  • 📐 电路图库
  • 📚 电子书籍
  • 🧮 在线计算器

帮助中心

  • 📋 服务条款
  • ℹ️ 关于我们
  • ⚠️ 免责声明
  • 🗺️ 网站地图

联系我们

扫码关注我们

虫虫下载站二维码

虫虫小帮手

© 2011-2025 虫虫下载站 - 专业的电子工程师资源分享平台 | 让技术资源触手可及

京ICP备2021023401号-1