自动调功式温控器(SF3914、CD4066、CD4017)

📅 发布时间:2013-10-03 12:00 👁️ 浏览:4 🏷️ 标签: 3914 CD 4066 4017

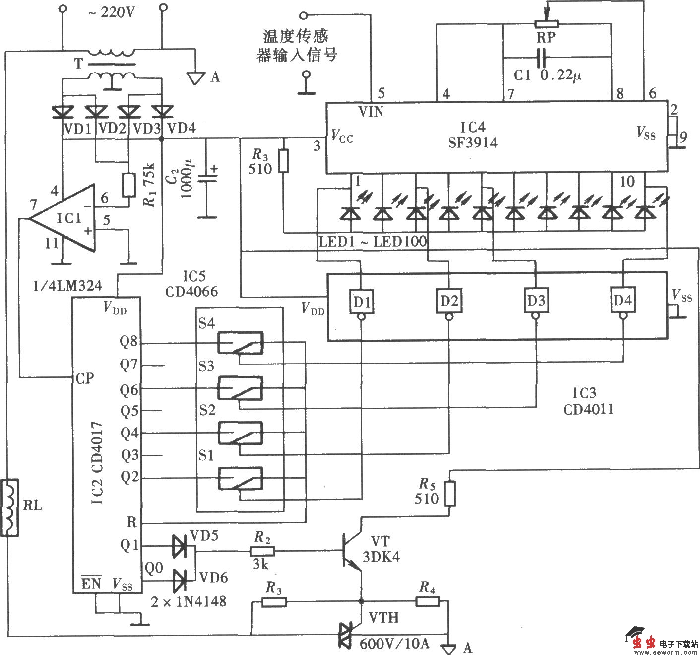
自动调功式温控器(SF3914、CD4066、CD4017)

该温控器可以在用发光二极管显示温度范围的同时,自动调整电加热器的输入功率,使被控的加热器基本保持在恒温工作状态中。电路组成如图所示。

觉得这篇文章有帮助吗?