用CD4013组成的正、负极性脉冲延迟电路

📅 发布时间:2013-10-03 00:25 👁️ 浏览:2 🏷️ 标签: 4013 CD 负极

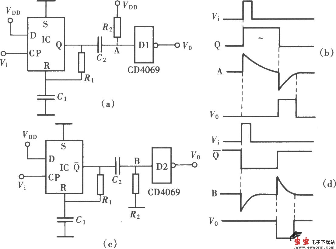
在数字电路和自动控制电路中,有时需要将输入的脉冲信号延迟一段时间后再输出,以适应后级控制电路的需要。采用CD4013组成的脉冲延迟电路,是其中的应用方案之一。如图为用CD4013组成的正、负极性脉冲延迟电路。

用CD4013组成的正、负极性脉冲延迟电路 

觉得这篇文章有帮助吗?