自动呼叫人名的电话机

📅 发布时间:2013-10-02 07:20 👁️ 浏览:0 🏷️ 标签: 自动呼叫 电话机

自动呼叫人名的电话机

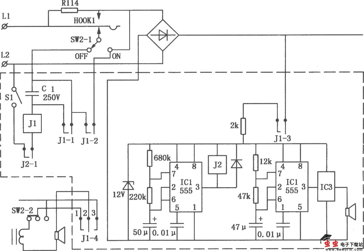
利用本电路能使电话机增设自动呼叫人名的功能,即电话铃一响,该机就自动把电话接通,并能自动询问对方“你找谁?”,对方听到问话后回答:“我找××××”,这时该机把对方的回答信号加以放大,通过扬声器放出。本电路简单可靠,平时不增加通讯网络负载,对原电话机只需改动一条扬声器的接线。IC3使用3秒语言集成电路,也可以用语言处理器代替。安装时应把问话扬声器对准或靠近机内麦克风。

觉得这篇文章有帮助吗?