⭐ 欢迎来到虫虫下载站! | 📦 资源下载 📁 资源专辑 ℹ️ 关于我们
⭐ 虫虫下载站
🔐 登录 📝 注册
虫虫下载站
虫虫下载站
专业电子工程师资源平台
📤 上传资源
  • 🏠 首页
  • 📦 资源下载
  • 📁 资源专辑
  • 🔧 热门软件
  • ⭐ 精品资源
  • 🎓 基础知识
  • 📐 电路图
  • 📚 电子书
  • 🔢 在线计算器
  • 🔍 代码搜索
🏠 首页 › 📐 电路图 › 自控(Auto)

📐 自控(Auto)

📊 共 220 个电路图 🎨 设计参考
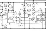
声控式双向流水彩灯伴海浪声控制电路(5G167)电路图

声控式双向流水彩灯伴海浪声控制电路(5G167)

📅 01-01 查看 →
可燃气体全自动点火器电路图

可燃气体全自动点火器

📅 01-01 查看 →
自制快速干手器电路电路图

自制快速干手器电路

📅 01-01 查看 →
自动调光窗帘电路电路图

自动调光窗帘电路

📅 01-01 查看 →
照度的自动控制电路电路图

照度的自动控制电路

📅 01-01 查看 →
自动控制发光时间电路电路图

自动控制发光时间电路

📅 01-01 查看 →
ZD—30C和ZD-30D型自动定量秤的光敏电路电路图

ZD—30C和ZD-30D型自动定量秤的光敏电路

📅 01-01 查看 →
光控全自动发米机电路电路图

光控全自动发米机电路

📅 01-01 查看 →
药片自动数片机用光敏线路电路图

药片自动数片机用光敏线路

📅 01-01 查看 →
电线自动成圈机计数电路电路图

电线自动成圈机计数电路

📅 01-01 查看 →
自动发粮机上的光轴线路电路图

自动发粮机上的光轴线路

📅 01-01 查看 →
窗帘自动开闭电路电路图

窗帘自动开闭电路

📅 01-01 查看 →
烟斗丝自动喂料称量电路电路图

烟斗丝自动喂料称量电路

📅 01-01 查看 →
多姿的猫头鹰电路原理图电路图

多姿的猫头鹰电路原理图

📅 01-01 查看 →
数码显示日历时钟电路电路图

数码显示日历时钟电路

📅 01-01 查看 →
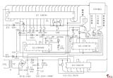
区域昼夜自动监控系统电路图

区域昼夜自动监控系统

📅 01-01 查看 →
红外反射式自动干手器电路图

红外反射式自动干手器

📅 01-01 查看 →
全方位跟踪太阳电子装置电路图

全方位跟踪太阳电子装置

📅 01-01 查看 →
采用声光控制的电子路标电路图

采用声光控制的电子路标

📅 01-01 查看 →
XEl203 FSK 915/868/433 MHz收发器电路图

XEl203 FSK 915/868/433 MHz收发器

📅 01-01 查看 →
ML2724 FSK 2.4 GHz收发器电路图

ML2724 FSK 2.4 GHz收发器

📅 01-01 查看 →
MICRF004 00K 200~140 MHz低功耗接收器电路图

MICRF004 00K 200~140 MHz低功耗接收器

📅 01-01 查看 →

调频TDA7088集成电路应用

📅 01-01 查看 →
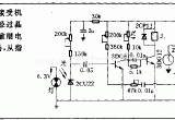
调频无线话筒接收机电路电路图

调频无线话筒接收机电路

📅 01-01 查看 →
卫生间自动排气扇电路电路图

卫生间自动排气扇电路

📅 01-01 查看 →
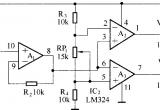
带红外热释探头的自动控制器电路图

带红外热释探头的自动控制器

📅 01-01 查看 →

卫生间自动排气扇

📅 01-01 查看 →
微波自动灯II电路图

微波自动灯II

📅 01-01 查看 →
微波自动灯I电路图

微波自动灯I

📅 01-01 查看 →
自动照明控制电路电路图

自动照明控制电路

📅 01-01 查看 →
  • 首页
  • « 上一页
  • 1
  • 2
  • 3
  • 4
  • 5
  • 6
  • 7
  • 8
  • 下一页 »
  • 末页
🔐 用户登录
加载中...

加载登录表单中...

🎁 免费注册送10积分
加载中...

加载注册表单中...

🔑 找回密码
加载中...

加载表单中...

🔐 需要登录
🔒

登录后即可使用!

🎁 新用户注册立即送10积分
积分可用于下载资源,免费获取优质技术资料
🚪 退出登录
👋

确认要退出登录吗?

退出后需要重新登录才能下载资源

关于虫虫

虫虫下载站是专业的电子工程师资源分享平台,汇聚 622,478+ 优质资源,为工程师提供免费、专业的技术资料。

🌐

快速链接

  • 📦 资源下载
  • 📁 资源专辑
  • 📐 电路图库
  • 📚 电子书籍
  • 🧮 在线计算器

帮助中心

  • 📋 服务条款
  • ℹ️ 关于我们
  • ⚠️ 免责声明
  • 🗺️ 网站地图

联系我们

扫码关注我们

虫虫下载站二维码

虫虫小帮手

© 2011-2025 虫虫下载站 - 专业的电子工程师资源分享平台 | 让技术资源触手可及

京ICP备2021023401号-1