
如图所示为数码显示日历时钟电路。它能同时显示月、日、时、分、秒和星期,月、日、星期自动转换,每天可定闹2次,有59min以内的睡眠定时功能。该日历时钟走时准确,调校方便,夜间看时清楚,制作容易。
工作原理:
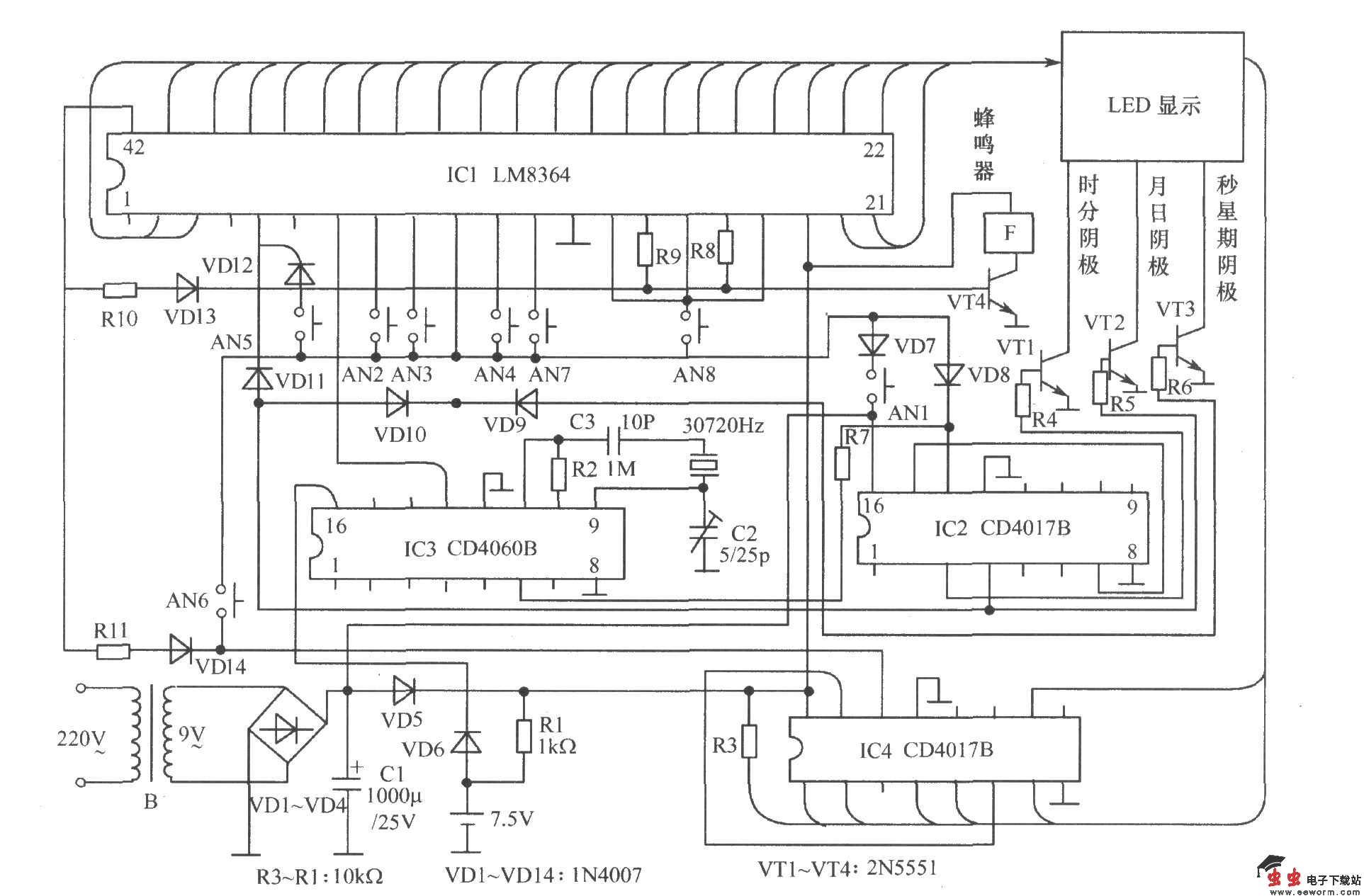
该电路的核心IC1是一片PMOS大规模集成电路LM8364。4脚为12/24小时制选择端,高电平为24小时制。6脚悬空时应从7脚输入60Hz时基信号,接高电平时应从7脚输入50Hz时基信号。5、8、9、10、11、12、14、16、18脚分别接高电平时,可实现其相应的功能。当闹或睡眠定时信号到来时,17脚、42脚或15脚输出的是可持续59min的高电平信号,控制VT4,再由VT4控制蜂鸣器。当然VT4也可控制其他电路(如继电器,收音机)。2、3、20~41脚可直接驱动LED数码管作显示。这些引脚除了能输出“时分”信号外,还能输出“月日”和“秒”信号,这些引脚是公用的。把5脚和10脚同时接高电平,将在“时分”输出端输出电路“月日”;把10脚接高电平5脚接低电平,将在“分”输出端输出“秒”,图中的IC2是一片COMS十进制计数/分配器集成电路CD4017,就是为IC1的5脚、10脚适时提供高电平的,这样IC1就快速反复地输出月日、时分、秒信号。IC2还控制着VTl~VT3,使数码管显示某一内容时其他内容不显示。由于人眼的视觉暂留现象,将观察不到数码管的闪烁,看到的是月日时分秒同时显示。IC2还起到调校选择的作用。按下AN1,显示内容将被锁定(随机性的),显示内容就是当前可调校的内容。反复按下AN1,可选择需要调校的内容。IC3是一片CMOS14位二进制串行计数份频和振荡集成电路CD4060,以它为核心构成时基信号发生电路,分别给IC1和IC2提供60Hz和240Hz的时基信号。该电路决定时钟走时精度,可微调C2,使日误差在0.3s之内。若要进一步提高走时精度,应稳定IC3的工作电压;或采用其他50Hz或60Hz时基信号发生电路,使用谐振频率更高的晶振。
以IC4的CD4017为核心构成星期显示电路。IC4的时基信号(天)由IC1的42脚(闹2)提供,它的复位端(15端)接第7个输出端(6脚),这样当IC1的42脚输出高电平时,IC4的输出端3、2、4、7、10、1、5脚依次变为高电平,直接驱动发光二极管显示星期。在该电路中,星期天的显示没有用3脚的高电平,而是由电源经电阻R3限流后提供电流,这样表示星期天的LED就一直亮着,提供参照物,使夜晚看星期更方便准确。由于IC1的闹2时间往往不设置在零点,所以星期的转换可能会滞后几小时,但对使用没有大的影响。若每天需定闹2次,须将闹2设置在闹1之前;若每天只需定闹1次,那么正好把闹2设置在零点,断开R10,用闹2来根供准确的显示星期用时基信号,只用闹1来实现定闹功能。
当交流供电中断时,由电池继续给IC1、IC3、IC4供电,定时、计时功能保持,但IC2停止工作,VT1、VT2、VT3截止,LED显示部分不亮,这样可以延长电池供电时间。在用交流供电时,可通过R1给电池充电。
元器件选择:集成电路IC1选择LM8364,IC2选择CD4017B,IC3选择CD4060B,IC4选择CD4017B。三极管要选用NPN型的,放大倍数大些为好。显示用的10个LED数码管和9个发光二极管应选用高亮或超高亮度型的,数码管选用共阴极型的。颜色及尺寸大小可根据自已的爱好选用。例如:显示日期用绿色0.8英寸数码管,显示时间用0.8英寸红色数码管,显示秒用0.56英寸红色数码管,发光二极管中心一个选用红色,环形6个选用绿色,两个选用黄色二极管。电池可选用3.6V60mAh的镍镉电池。蜂鸣器应选用7.5V或9V小型的。8个按钮可直接选用电视选台用的8位自锁开关(须去掉弹簧,使之失去自锁功能)。变压器应选用功率3W次级交流电压是9V的。