
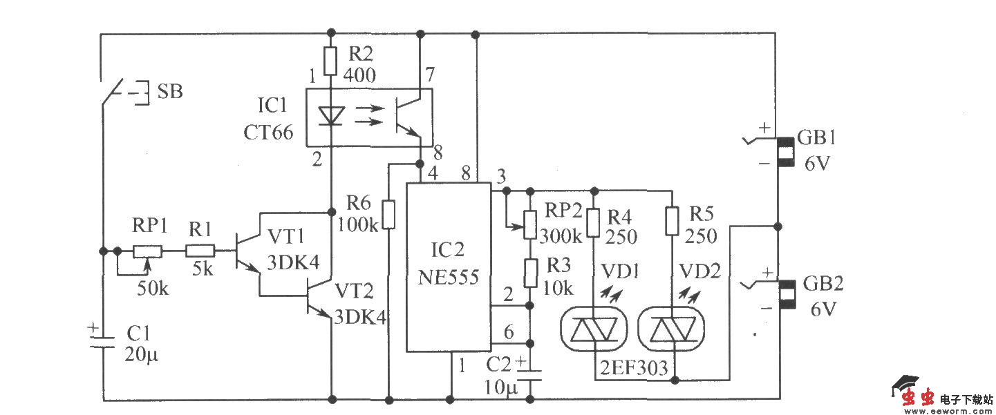
如图所示的多姿猫头鹰电路,只要启动自复按钮,电子猫头鹰的双眼立即在红色和绿色之间不停地交替翻转。经一段时问延时,电子猫头鹰终因“工作疲劳”而自动地转入休息状态。
元器件选择:IC1选用CT66型8脚光电耦合集成块,该集成块有两组光电耦合器,实际应用中只选了其中的一组。IC2可选用NE555、FD555、5G555等型号的时基集成电路。VT1、VT2选用NPN硅三极管,可用型号有:3DG6、3DG8、3DG12、3DK2、3DG182、9013等,β值大于50即可。VD1、VD2选用2EF303变色发光二极管。电路中所用电阻皆为(1/8)W的金属膜电阻。