采用声光控制的电子路标

📅 发布时间:2013-09-30 13:35 👁️ 浏览:1 🏷️ 标签: 声光控制 电子

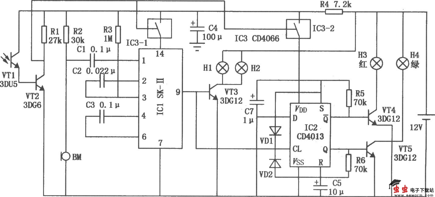
采用声光控制的电子路标

自动电子路标的电路如图所示,它主要由声控电路、振荡电路及驱动显示电路等部分组成。

觉得这篇文章有帮助吗?