在一些重要及敏感的场合,如监狱、金库、机场、银行、图书馆和博物馆等地方都已经开始应用视频现场监控。原视频现场监控网络的主要缺陷是夜间监控。它的操作过程是:晚上保安人员,凭借夜间开启的路灯,通过摄像头和显示屏来发现活动物体,由手动操作开启辅助光源,切换矩阵电路实施监控录像。操作完毕后,再手动关闭辅助光源。该系统主要缺点有:从监控显示屏到保卫人员切换矩阵——利用路灯或再开启辅助光源——寻找监控目标,其工作周期过长,不利于实施快速现场记录;保安人员夜间值班时,注意力要高度集中,时刻监控显示屏,如果操作较慢,或者稍有疏忽就会漏掉监控目标;由于是手动操作,肉眼监控,容易误判断或误操作;对室外的监控需要夜间通宵开启路灯,在没有安装路灯的地方则必须依靠手动切换辅助光源来监控;当室内夜间关闭照明灯光后,无法实施现场监控。区域昼夜自动控制系统可有效改善这些问题,其示意图如下所示:

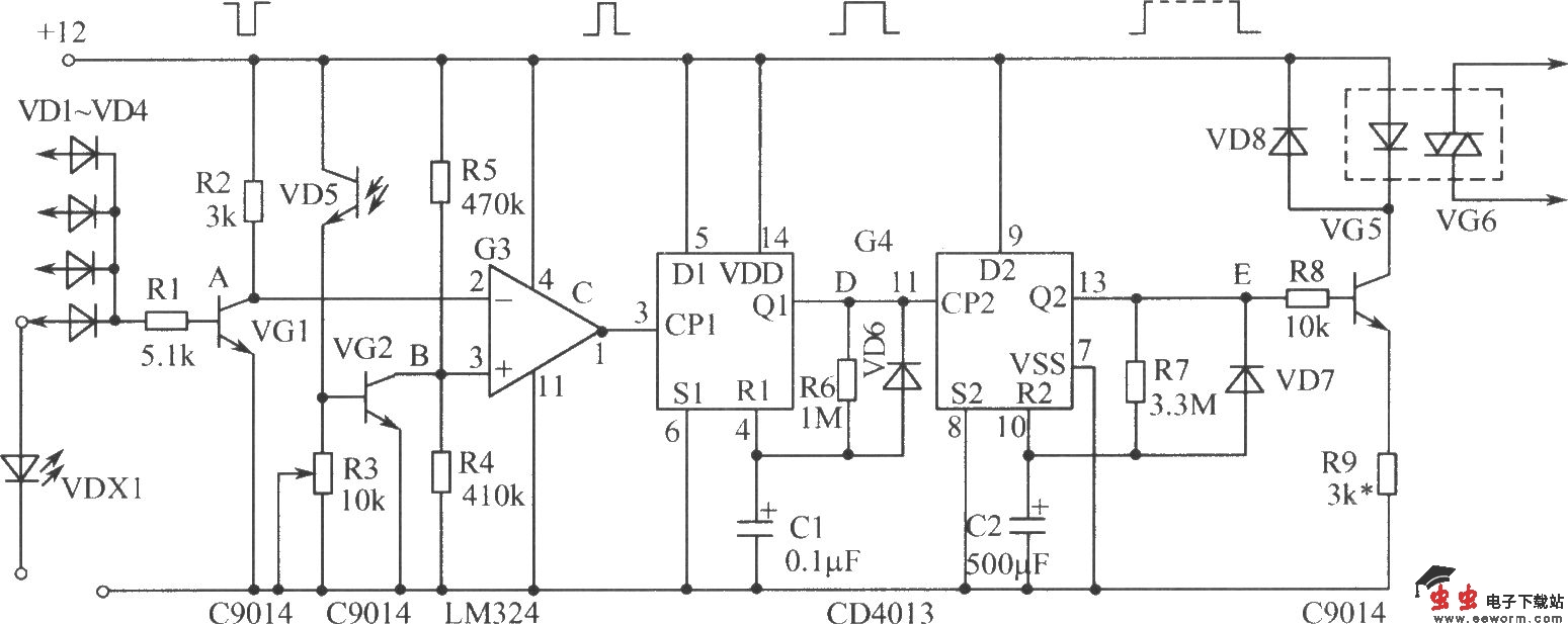
图中以无线红外检测报警器为核心,将光控延时联动电路与无线红外检测报警器结合,控制输出电路自动联通辅助光源。一个光控延时联动电路可以与一个或几个无线红外检测报警器连接,最多可以联动4组辅助光源和4个无线红外检测报警器,实现宽7m、长40m的监控区域。当有一个无线红外检测报警器检测到目标,光控延时联动电路就会联动4组辅助光源,实现区域监控。光控延时联动电路如图所示:

图中由VD1~VD4组成“4与输入电路”,可从其中一路输入分析电路原理。从无线红外检测报警器中的发光二极管VDX1的正极拾取检测信号。当无线红外检测报警器检测到目标时,发光二极管VDX1导通发光。经过VD1和刚将拾取到的电压信号由VG1放大,这时A点电位下降,输出负脉冲。光敏三极管VD5和VG2连接到G3的正向端,并且与R4、R5分压电阻连接。调节R3可以控制光敏三极管VD5导通点,设定B点电位。经过运算放大器G3的反向输入端与正向输入端比较后,在C点输出正脉冲。由G4的1/2将脉冲整形加宽,可以防止G4使用中的抖动现象,C1、R6完成延时, VD6能够将C1上的电荷反向放电,保证下一次脉冲来到时工作正常。G4的另外1/2完成延时输出,它与前面1/2的工作原理一样,调节C2或R7能够在0.7×C2×R6=3min延时。执行电路用VG5和固体继电器VG6完成,VD5可以防止电源反接时损坏固体继电器,R9则是根据固体继电器的功率选用,它可以限制固体继电器工作电流,延长使用寿命。