鸡舍自动补光灯电路

📅 发布时间:2013-10-02 16:50 👁️ 浏览:1 🏷️ 标签: 自动 光灯 电路

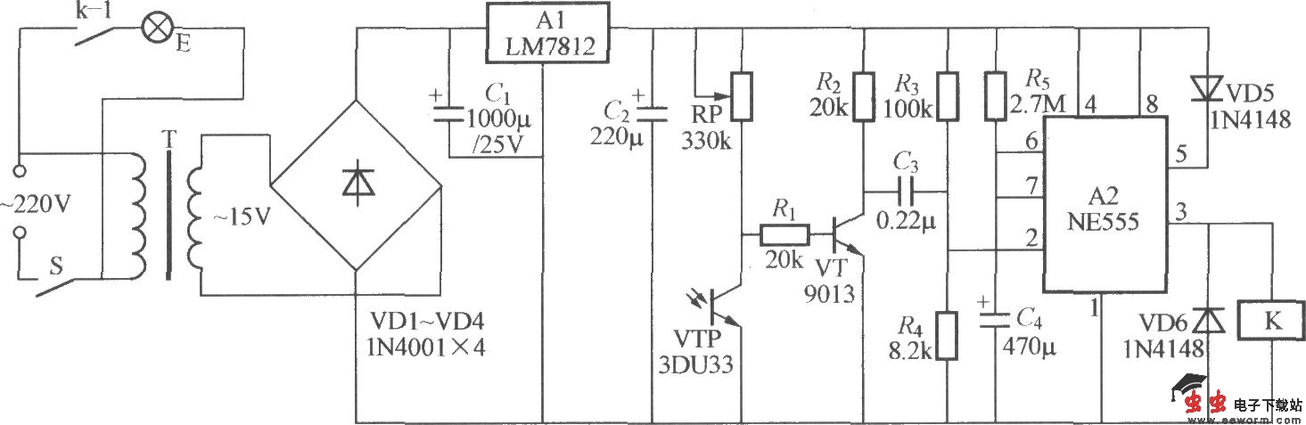
鸡舍自动补光灯电路

给母鸡提供足够的光照可以提高产蛋率,由于冬季日照时间缩短,所以养鸡专业户一般采用人工开灯的方法为鸡舍补光。采用如图所示电路则能实现自动补光,当夜幕来临时会自动开灯补光约2h,然后熄灭,即将日照时间延长2h左右。T采用220V/15V、8VA小型优质电源变压器;K用JZC-22F、DC12V小型***率电磁继电器。

觉得这篇文章有帮助吗?