D触发器组成的定时器

📅 发布时间:2013-10-03 02:15 👁️ 浏览:1 🏷️ 标签: D触发器 定时器

D触发器组成的定时器

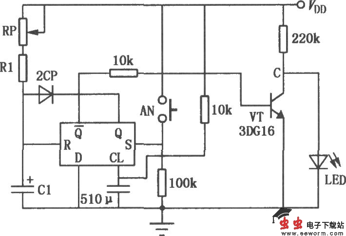
如图所示是用CMOS电路D触发器组成的定时器,其定时范围可以从l秒、2秒一直到几十分钟,实用性很强,可用于继电器延时释放(或者自动熄灯)。

控制时间的调整如下表所示:

D触发器组成的定时器 

觉得这篇文章有帮助吗?