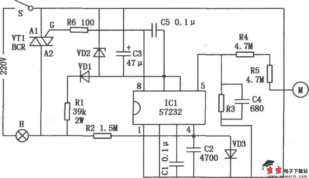
S7232构成的触摸式调光器

📅 发布时间:2013-10-02 19:00 👁️ 浏览:0 🏷️ 标签: S7232 触摸式 调光器

S7232构成的触摸式调光器

触摸式调光器的电路如图所示。它用手指触摸控制片即可实现开灯、关灯或进行无级调光,除用于白炽灯的调光外,也可用于小型交流电动机的无级调速。

觉得这篇文章有帮助吗?