脉动电流可增大药离子导入体内深度,并具有按摩功能。
该治疗仪输出为100Hz与1Hz两种频率的断续脉冲,在30mA内连续可调。治疗时间定时自动控制,在59分钟内任意预置定时,并以LED数码显示,时间一到,自动停止治疗,并发出声光报知信号。

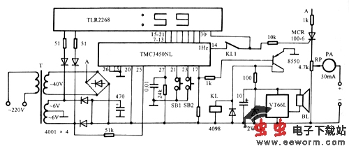
图57
电路原理如图57所示。数字钟集成电路TMC3450NL23脚定时输入端经继电器常闭触点接地,通电后LED数码管闪动显示“59”分钟。按21脚的调分端的SB1使数码连续发光,并以2Hz(也可快速)速度递减,到达预置时间(通常为25分钟)松开SB1即完成定时装置。时钟倒走时显示治疗剩余时间。在到达“00”之前17脚定时输出端为高电位,外接三极管截止,常闭触点通,14脚输出秒信号触发导通可控硅。这时来自变压器40V交流电经全波整流,在可控硅AK两端产生100Hz脉动电压,经1Hz脉冲调制,输出断续的脉动电流。调RP可改变输出电流大小(通常选用10mA左右)。当时钟走到“00”时,17脚输出转为低电位,三极管导通,音乐集成电路VT66L工作,同时继电器常闭触点切断输出电流。按SB2复位键,时钟重显59分钟,电路恢复原状态。
电路元件:若其他型号钟芯只要具有秒信号输出和定时功能的都可用。变压器功率为8W左右。外接两极板100×80mm导电橡胶或金属片。
治疗仪对腰肌劳损、关节炎、腰腿痛等症在医生指导下治疗也有疗效。