用CD406、CD4013组成的自动循环定时器电路

📅 发布时间:2013-09-25 04:25 👁️ 浏览:1 🏷️ 标签: CD 4013 406 自动循环

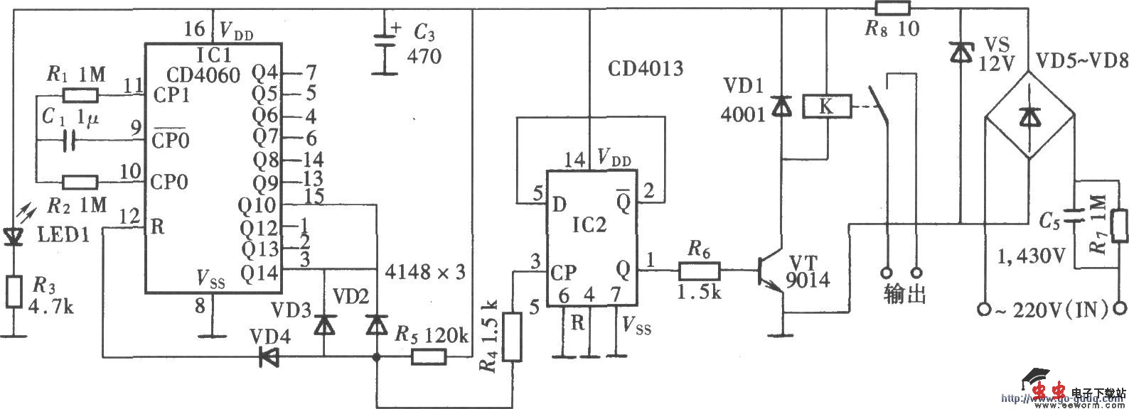
如图所示为自动循环定时器电路。它由脉冲振荡器和多级分频器组成的时间基准电路、双触态触发器、继电器和驱动电路及工作电源等组成。

自动循环定时器电路(CD406、CD4013)

觉得这篇文章有帮助吗?