可控硅移相触发器的应用-DJK3型三相异步电机节电器

📅 发布时间:2013-09-25 09:15 👁️ 浏览:0 🏷️ 标签: DJK 可控硅 三相异步 移相触发器

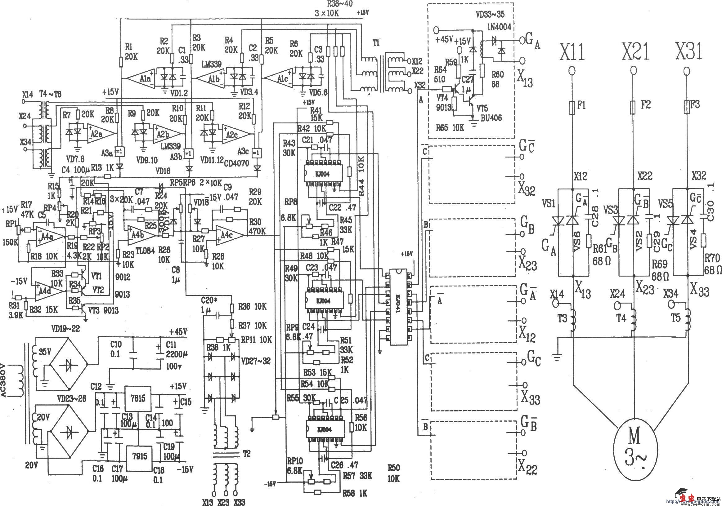
DJK3型电动机节电器根据负载的大小自动调整电机端电压,使电机在满足负载要求的前提下尽量降低端电压,可以提高功率因数,降低铜损、铁损,达到节电的装置。它的主要功能和技术指标如下: ①节电率:电机在负载率为0~50%时节有功功率 50%~0,节无功功率70%~l0%。 ②降压软启动功能:软启动特性如图2—87所示。 ③工作电源:三相交流(380V±IOV)%。 ④适应于电动机功率:l0~50kW。

DJK3型电动机节电器工作原理框图

DJK3型三相异步电机节电器

觉得这篇文章有帮助吗?