
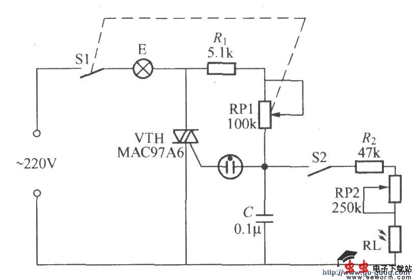
具有稳光功能的晶闸管调光灯电路如图所示,它是在普通双向晶闸管调光器的基础上增加了一个光控电路,从而使它具有自动跟踪周围环境亮度的功能。该电路十分适宜制作视力保护台灯,因为阅读书写需要合适稳定的光照度。当 S2打开时,为普通调光台灯。当S2闭合时,为自动稳光台灯。S2闭合后仍能用 RP1进行调光,当光照度调定后,台灯亮度就能自动跟踪周围环境光线强弱变化而变化,以保证阅读书写面的光照度保持不变,从而达到视力保护作用。安装时应注意将RL的透光孔置于台灯底座的侧面,使它既能感受到周围环境的光线强弱变化,又不能受台灯E自身光线的照射。微调电阻器RP2的作用是用来调节自动稳光的灵敏度,电路安装好后应用小起子仔细调整RP2,以保证自动稳光作用能正常发挥。