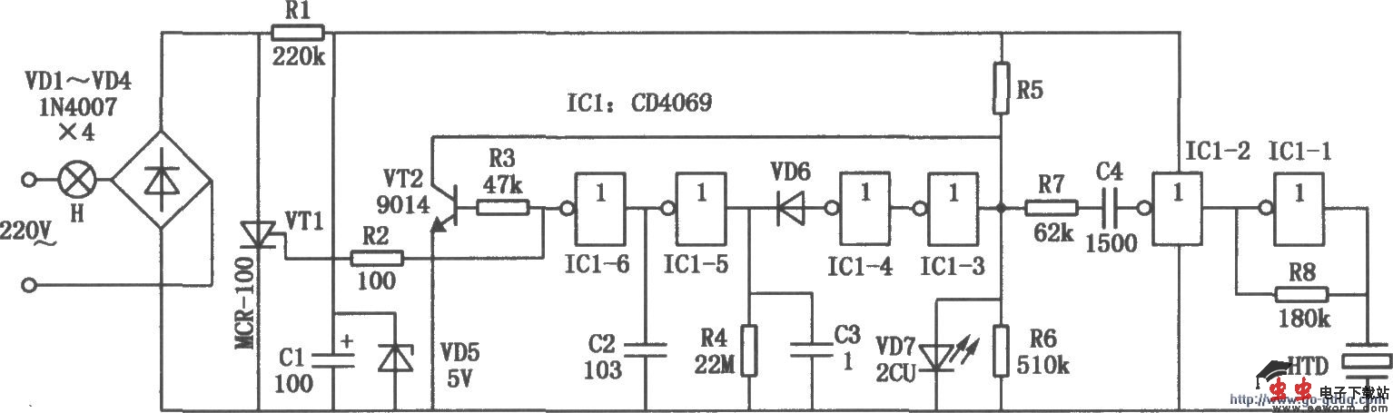
用CD4069组成的照明灯节能控制器电路

📅 发布时间:2013-09-25 22:40 👁️ 浏览:2 🏷️ 标签: 4069 CD 照明灯 节能控制器

CD4069组成的照明灯节能控制器

照明灯节能控制器能使照明灯白天自动呈关闭状态,晚间当有人走动发出声响时,照明灯便自动工作,具有节能实用的特点,适用于楼梯走道照明灯的控制。

觉得这篇文章有帮助吗?