用CD4017组成的按键式手控调光调速电路

📅 发布时间:2013-09-25 00:50 👁️ 浏览:0 🏷️ 标签: 4017 CD 按键式 手控

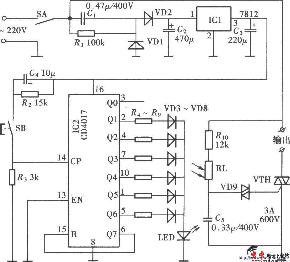
按键式手控调光调速电路(CD4017)

按键式手控调光调速电路实际上是一例交流电源调压电路,它通过调节双向晶闸管的导通角,控制其导通程度,实现交流电源的调压。将这种电路用于具体的灯光或电动机控制,可实现其调光调速功能,电路组成如图所示。

觉得这篇文章有帮助吗?