⭐ 欢迎来到虫虫下载站! | 📦 资源下载 📁 资源专辑 ℹ️ 关于我们
⭐ 虫虫下载站
🔐 登录 📝 注册
虫虫下载站
虫虫下载站
专业电子工程师资源平台
📤 上传资源
  • 🏠 首页
  • 📦 资源下载
  • 📁 资源专辑
  • 🔧 热门软件
  • ⭐ 精品资源
  • 🎓 基础知识
  • 📐 电路图
  • 📚 电子书
  • 🔢 在线计算器
  • 🔍 代码搜索
🏠 首页 › 📐 电路图 › 遥控控制

📐 遥控控制

📊 共 176 个电路图 🎨 设计参考
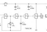
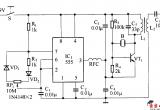
十六路无线遥控器电路图

十六路无线遥控器

📅 01-01 查看 →
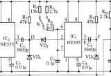
能识别主人的遥控门铃电路图

能识别主人的遥控门铃

📅 01-01 查看 →
时分制比例遥控电路图

时分制比例遥控

📅 01-01 查看 →
装饰吊灯遥控电路电路图

装饰吊灯遥控电路

📅 01-01 查看 →
吊扇无线遥控电路电路图

吊扇无线遥控电路

📅 01-01 查看 →
由T630/T631组成的微型无线遥控电路电路图

由T630/T631组成的微型无线遥控电路

📅 01-01 查看 →
遥控自动门电路(T630/T631)电路图

遥控自动门电路(T630/T631)

📅 01-01 查看 →
由T630/T631组成的无线长波遥控器电路图

由T630/T631组成的无线长波遥控器

📅 01-01 查看 →
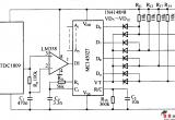
由TDC1808/TDC1809组成的数字编码遥控电路电路图

由TDC1808/TDC1809组成的数字编码遥控电路

📅 01-01 查看 →
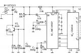
遥控语音门铃(RCMlA/RCMlB构成收发模块)电路图

遥控语音门铃(RCMlA/RCMlB构成收发模块)

📅 01-01 查看 →
电动模型飞机遥控装置电路图

电动模型飞机遥控装置

📅 01-01 查看 →
多路遥控器电路图

多路遥控器

📅 01-01 查看 →
四通道互锁遥控器电路图

四通道互锁遥控器

📅 01-01 查看 →
15通道红外遥控电路电路图

15通道红外遥控电路

📅 01-01 查看 →
比例电机无线遥控器电路图

比例电机无线遥控器

📅 01-01 查看 →
超小型400米无线遥控器电路图

超小型400米无线遥控器

📅 01-01 查看 →
红外遥控调压电路电路图

红外遥控调压电路

📅 01-01 查看 →
多功能吊扇遥控调速电路电路图

多功能吊扇遥控调速电路

📅 01-01 查看 →
双声道音量遥控电位器电路图

双声道音量遥控电位器

📅 01-01 查看 →
LC219/220的内电路与引脚功能电路图

LC219/220的内电路与引脚功能

📅 01-01 查看 →
遥控电扇电路电路图

遥控电扇电路

📅 01-01 查看 →
红外线音量遥控电路电路图

红外线音量遥控电路

📅 01-01 查看 →
红外遥控电扇电源插座电路图

红外遥控电扇电源插座

📅 01-01 查看 →
单按键双通道红外遥控电路电路图

单按键双通道红外遥控电路

📅 01-01 查看 →
采用音频译码器的红外遥控器电路图

采用音频译码器的红外遥控器

📅 01-01 查看 →
八通道红外遥控电路电路图

八通道红外遥控电路

📅 01-01 查看 →
部分常用红外遥控编、译码电路电路图

部分常用红外遥控编、译码电路

📅 01-01 查看 →
超声波遥控电风扇调速伴海浪声电路(二)电路图

超声波遥控电风扇调速伴海浪声电路(二)

📅 01-01 查看 →
超声波遥控电风扇调速控制伴鸟鸣声电路电路图

超声波遥控电风扇调速控制伴鸟鸣声电路

📅 01-01 查看 →
亚超声笛遥控风扇调速伴海浪发声电路电路图

亚超声笛遥控风扇调速伴海浪发声电路

📅 01-01 查看 →
  • 首页
  • « 上一页
  • 1
  • 2
  • 3
  • 4
  • 5
  • 6
  • 下一页 »
  • 末页
🔐 用户登录
加载中...

加载登录表单中...

🎁 免费注册送10积分
加载中...

加载注册表单中...

🔑 找回密码
加载中...

加载表单中...

🔐 需要登录
🔒

登录后即可使用!

🎁 新用户注册立即送10积分
积分可用于下载资源,免费获取优质技术资料
🚪 退出登录
👋

确认要退出登录吗?

退出后需要重新登录才能下载资源

关于虫虫

虫虫下载站是专业的电子工程师资源分享平台,汇聚 622,478+ 优质资源,为工程师提供免费、专业的技术资料。

🌐

快速链接

  • 📦 资源下载
  • 📁 资源专辑
  • 📐 电路图库
  • 📚 电子书籍
  • 🧮 在线计算器

帮助中心

  • 📋 服务条款
  • ℹ️ 关于我们
  • ⚠️ 免责声明
  • 🗺️ 网站地图

联系我们

扫码关注我们

虫虫下载站二维码

虫虫小帮手

© 2011-2025 虫虫下载站 - 专业的电子工程师资源分享平台 | 让技术资源触手可及

京ICP备2021023401号-1