电动模型飞机遥控装置

📅 发布时间:2013-09-27 04:25 👁️ 浏览:1 🏷️ 标签: 电动 模型 飞机 遥控

电动模型飞机遥控装置由两通道数字比例收发电路,饲服舵机电路,动力电机驱动电路等组成

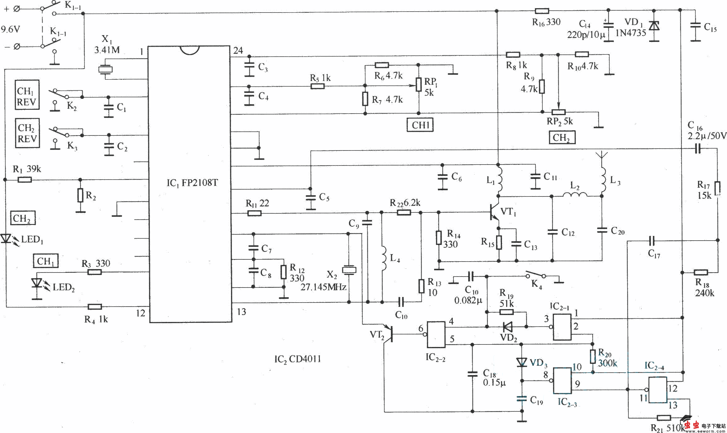
遥控发射器电路:

电动模型飞机遥控装置

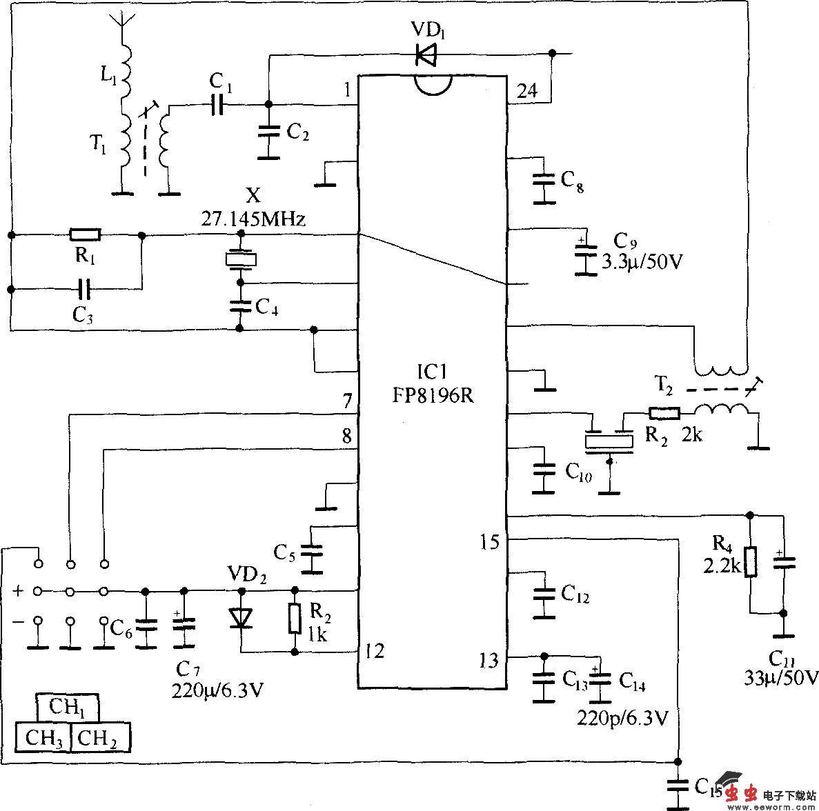
遥控接收电路:

电动模型飞机遥控装置

舵机电路:

电动模型飞机遥控装置

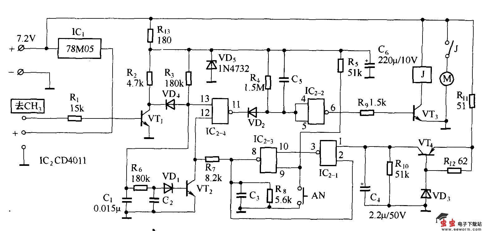
动力电机驱动原理图:

电动模型飞机遥控装置

觉得这篇文章有帮助吗?