十六路无线遥控器

📅 发布时间:2013-09-27 08:45 👁️ 浏览:1 🏷️ 标签: 无线遥控器

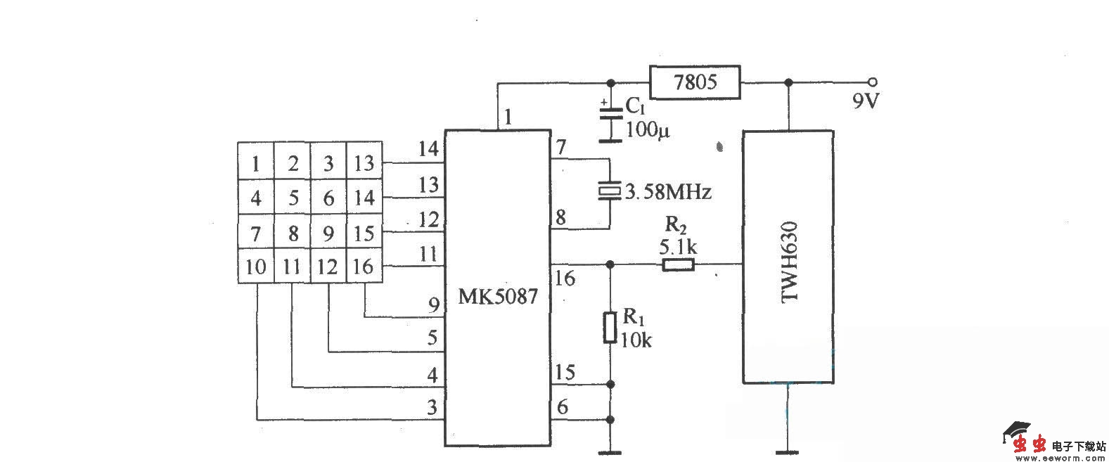
发射电路:

十六路无线遥控器

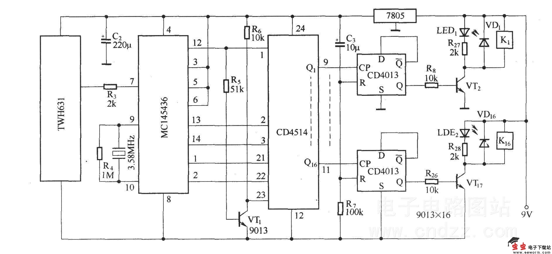
接收电路:

十六路无线遥控器

该十六路无线遥控器采用DTMF编译码电路及无线遥控组件TWH630/TWH631,可以独立控制十六路负载,具有电路简单,工作可靠,遥控距离远的特点.

觉得这篇文章有帮助吗?