多路遥控器

📅 发布时间:2013-09-27 04:20 👁️ 浏览:2 🏷️ 标签: 多路 遥控器

多路遥控器发射器电路原理图(MC145026是数字编码器)

多路遥控器

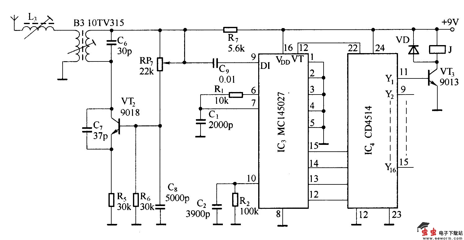
多路遥控器接收器电路原理图(MC145027是数字译码器,CD4514BCD是4-16线译码器)

多路遥控器

觉得这篇文章有帮助吗?