超小型400米无线遥控器

📅 发布时间:2013-09-27 03:45 👁️ 浏览:1 🏷️ 标签: 400 无线遥控器

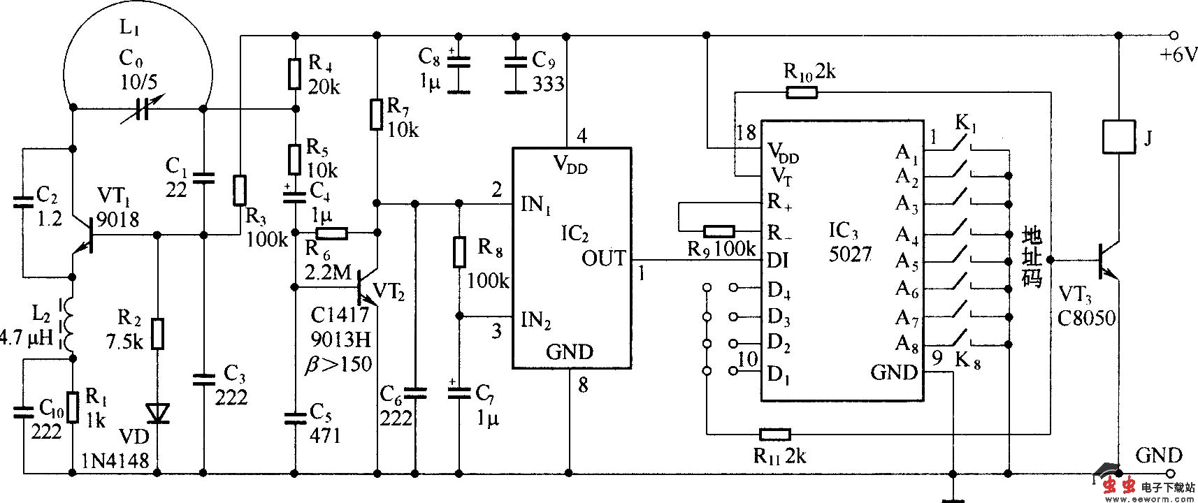
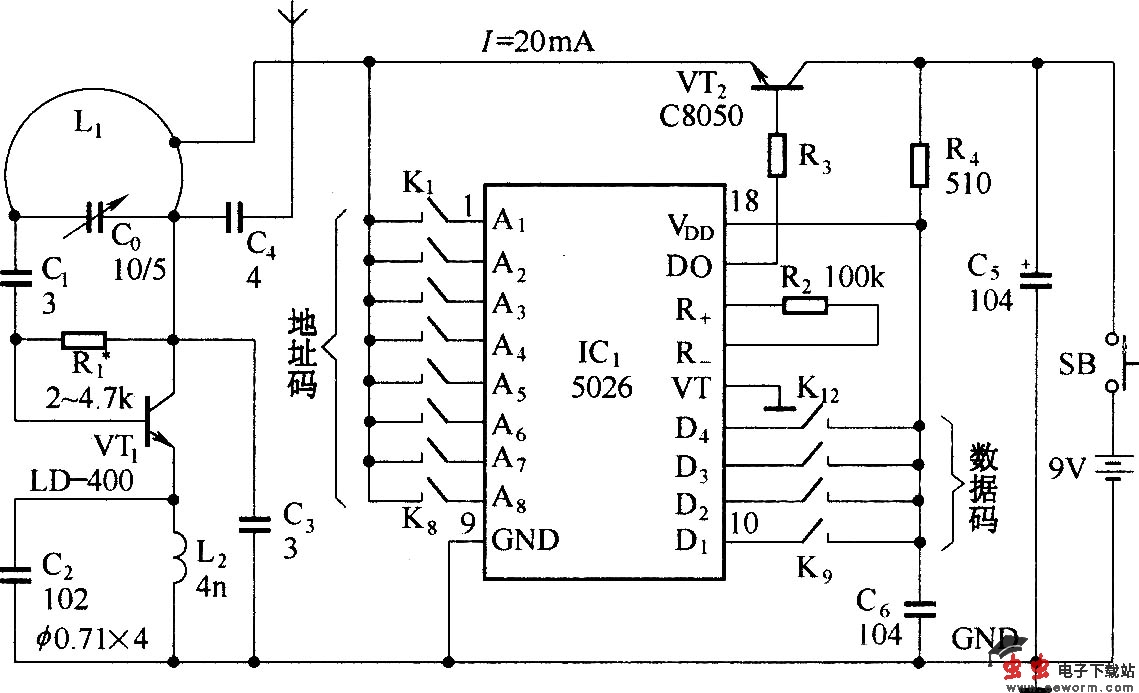
超小型400米无线遥控器是以数字编/译码器VD5026/VD5027为核心,采用发射专用晶体管LD-400,其遥控距离远,工作稳定可靠.

发射器电路:

超小型400米无线遥控器

接收器电路:

超小型400米无线遥控器

觉得这篇文章有帮助吗?