多功能吊扇遥控调速电路

📅 发布时间:2013-09-27 02:45 👁️ 浏览:1 🏷️ 标签: 多功能 吊扇 遥控 调速电路

多功能吊扇遥控调速电路

此电路由以下几部分组成

(1)由CX20106和 LC2200组成红外接收与通道译码电路.

(2)由可预置加减计数器电路,可控硅触发电路和计数译码显示电路组成

(3)由可控硅触发管VT5与它的基极控制电阻网络R13~R16组成.

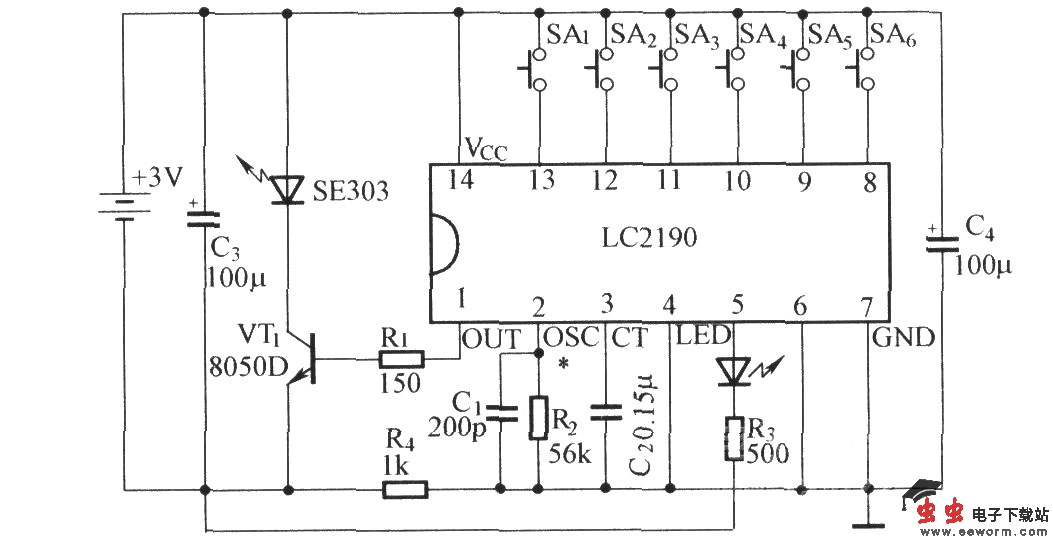
当然,此电路的应用需要红外发射器,如下图所示

多功能吊扇遥控调速电路

觉得这篇文章有帮助吗?