⭐ 欢迎来到虫虫下载站! | 📦 资源下载 📁 资源专辑 ℹ️ 关于我们
⭐ 虫虫下载站
🔐 登录 📝 注册
虫虫下载站
虫虫下载站
专业电子工程师资源平台
📤 上传资源
  • 🏠 首页
  • 📦 资源下载
  • 📁 资源专辑
  • 🔧 热门软件
  • ⭐ 精品资源
  • 🎓 基础知识
  • 📐 电路图
  • 📚 电子书
  • 🔢 在线计算器
  • 🔍 代码搜索
🏠 首页 › 📐 电路图 › 保护电路

📐 保护电路

📊 共 97 个电路图 🎨 设计参考
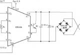
反向电压和浪涌过电压保护电路(XTR106)电路图

反向电压和浪涌过电压保护电路(XTR106)

📅 01-01 查看 →
RCV420保护检测电阻电路电路图

RCV420保护检测电阻电路

📅 01-01 查看 →
RCV420构成的具有输入过载保护的4~20mA电流环路接收器电路图

RCV420构成的具有输入过载保护的4~20mA电流环路接收器

📅 01-01 查看 →
INA116输入电缆保护电路电路图

INA116输入电缆保护电路

📅 01-01 查看 →
具有电击除颤器保护和校准器的右腿驱动EGC放大电路电路图

具有电击除颤器保护和校准器的右腿驱动EGC放大电路

📅 01-01 查看 →
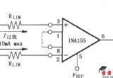
由INA155/156构成的输入电流保护电路电路图

由INA155/156构成的输入电流保护电路

📅 01-01 查看 →
超声波测距报警控制芯片电路电路图

超声波测距报警控制芯片电路

📅 01-01 查看 →
电动机缺相保护器电路图电路图

电动机缺相保护器电路图

📅 01-01 查看 →
MIC2951构成的过热保护系统电路电路图

MIC2951构成的过热保护系统电路

📅 01-01 查看 →
互补检拾型喇叭保护电路电路图

互补检拾型喇叭保护电路

📅 01-01 查看 →
桥式检拾型喇叭保护电路(一)电路图

桥式检拾型喇叭保护电路(一)

📅 01-01 查看 →
桥式检拾型喇叭保护电路(二)电路图

桥式检拾型喇叭保护电路(二)

📅 01-01 查看 →
采用热敏电阻的送流保护电路电路图

采用热敏电阻的送流保护电路

📅 01-01 查看 →

家用增压水泵保护电路

📅 01-01 查看 →
机床电磁吸盘欠流保护电路电路图

机床电磁吸盘欠流保护电路

📅 01-01 查看 →
液晶投影机多功能控制器电路图

液晶投影机多功能控制器

📅 01-01 查看 →
由WB705构成的减流型保护电路的应用电路电路图

由WB705构成的减流型保护电路的应用电路

📅 01-01 查看 →
由MIC2951构成的过热保护系统电路电路图

由MIC2951构成的过热保护系统电路

📅 01-01 查看 →
由WB705构成的限流型保护电路的应用电路电路图

由WB705构成的限流型保护电路的应用电路

📅 01-01 查看 →
W723的高压限流型保护应用电路电路图

W723的高压限流型保护应用电路

📅 01-01 查看 →
桥式检拾型喇叭保护电路(三)电路图

桥式检拾型喇叭保护电路(三)

📅 01-01 查看 →
可变门限的过电流、过电压保护电路电路图

可变门限的过电流、过电压保护电路

📅 01-01 查看 →
交流电网下工作的温度保护电路电路图

交流电网下工作的温度保护电路

📅 01-01 查看 →

TWH9205的过热自动保护控制电路

📅 01-01 查看 →
温度控闭保护电路电路图

温度控闭保护电路

📅 01-01 查看 →

电热毯自动保护恒温器电路

📅 01-01 查看 →
25欧姆扬声器的过载保护电路电路图

25欧姆扬声器的过载保护电路

📅 01-01 查看 →
使用四比较器的恒温控制器电路电路图

使用四比较器的恒温控制器电路

📅 01-01 查看 →
保护开关电路图

保护开关

📅 01-01 查看 →
带有保护二极管的两级反相器电路电路图

带有保护二极管的两级反相器电路

📅 01-01 查看 →
  • 首页
  • « 上一页
  • 1
  • 2
  • 3
  • 4
  • 下一页 »
  • 末页
🔐 用户登录
加载中...

加载登录表单中...

🎁 免费注册送10积分
加载中...

加载注册表单中...

🔑 找回密码
加载中...

加载表单中...

🔐 需要登录
🔒

登录后即可使用!

🎁 新用户注册立即送10积分
积分可用于下载资源,免费获取优质技术资料
🚪 退出登录
👋

确认要退出登录吗?

退出后需要重新登录才能下载资源

关于虫虫

虫虫下载站是专业的电子工程师资源分享平台,汇聚 622,478+ 优质资源,为工程师提供免费、专业的技术资料。

🌐

快速链接

  • 📦 资源下载
  • 📁 资源专辑
  • 📐 电路图库
  • 📚 电子书籍
  • 🧮 在线计算器

帮助中心

  • 📋 服务条款
  • ℹ️ 关于我们
  • ⚠️ 免责声明
  • 🗺️ 网站地图

联系我们

扫码关注我们

虫虫下载站二维码

虫虫小帮手

© 2011-2025 虫虫下载站 - 专业的电子工程师资源分享平台 | 让技术资源触手可及

京ICP备2021023401号-1